EasyManua.ls Logo

wsm L4701 - HST Model

wsm L4701
662 pages
Print Icon
To Next Page IconTo Next Page
To Next Page IconTo Next Page
To Previous Page IconTo Previous Page
To Previous Page IconTo Previous Page
Loading...
HYDRAULIC SYSTEM
L3301, L3901, L4701, WSM
8-M7
(2) HST Model
Specification of Hydraulic Parts
9Y1211012HYM0004US0
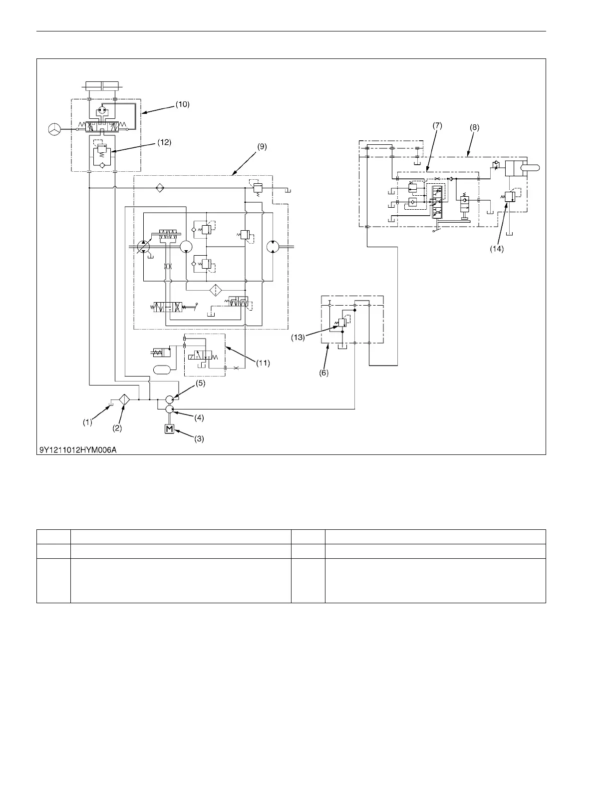
(1) Oil Tank (Transmission Case)
(2) Hydraulic Oil Filter
(3) Engine
(4) Hydraulic Pump
(Three Point hitch)
(5) Hydraulic Pump
(Power Steering)
(6) Front Hydraulic Block
(7) Power Steering Controller
(8) Hydraulic Cylinder
(9) HST Unit
(10) Power Steering Controller
(11) PTO Clutch Valve
(12) Relief Valve (Power Steering)
(13) Relief Valve
(Three Point Hitch)
(14) Cylinder Safety Valve
(4) Above. 26.2 L/min. (6.92 U.S.gals/min., 5.76 lmp.gals/min.) (13) 17.1 to 18.1 MPa (174 to 185 kgf/cm
2
, 2480 to 2630 psi)
(5) Above. 15.9 L/min. (4.20 U.S.gals/min., 3.50 lmp.gals/min.) (14) 19.7 to 22.5 MPa (200 to 230 kgf/cm
2
, 2850 to 3270 psi)
(12)
2WD Model: 8.0 to 9.0 MPa
(81 to 91 kgf/cm
2
, 1200 to 1300 psi)
4WD Model: 10.7 to 11.7 MPa
(109 to 119 kgf/cm
2
, 1550 to 1690 psi)
KiSC issued 09, 2016 A

Table of Contents