EasyManua.ls Logo

wsm L4701 - L4701

wsm L4701
662 pages
Print Icon
To Next Page IconTo Next Page
To Next Page IconTo Next Page
To Previous Page IconTo Previous Page
To Previous Page IconTo Previous Page
Loading...
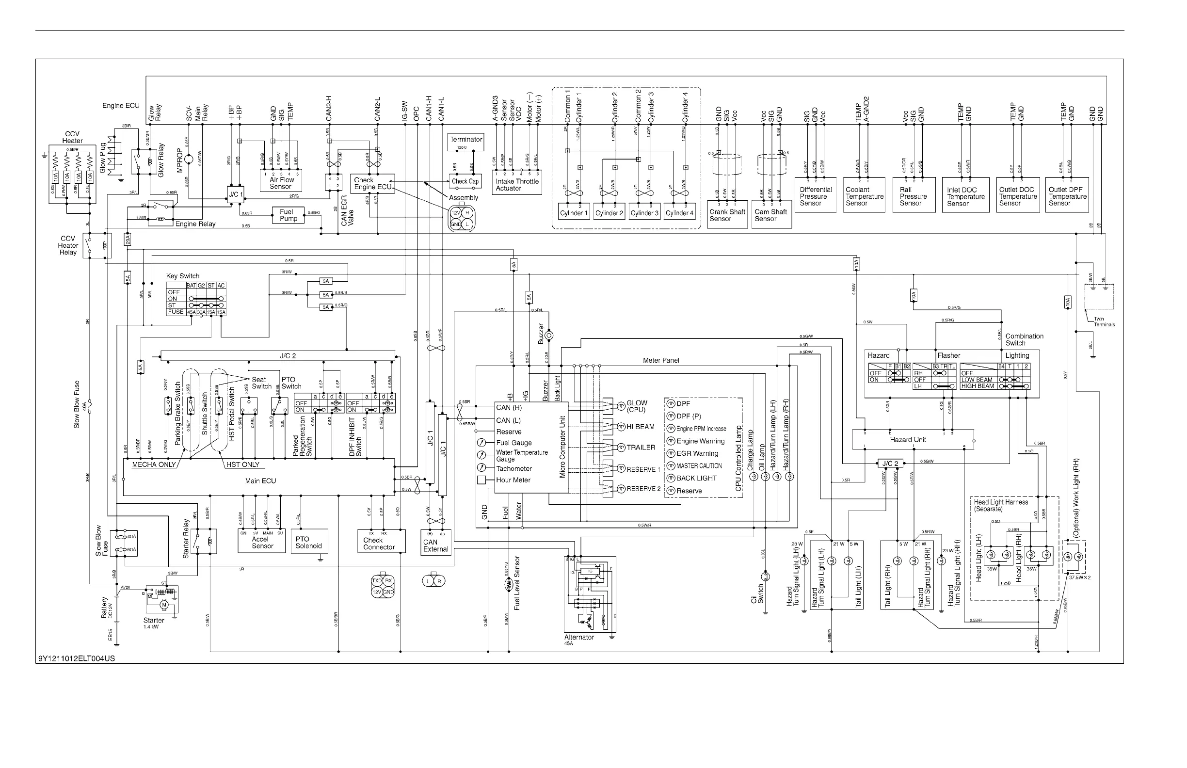
ELECTRICAL SYSTEM
L3301, L3901, L4701, WSM
9-M2
[2] L4701
KiSC issued 09, 2016 A

Table of Contents

Related product manuals