EasyManua.ls Logo

Xilin CDDR - Page 46

Xilin CDDR
60 pages
Print Icon
To Next Page IconTo Next Page
To Next Page IconTo Next Page
To Previous Page IconTo Previous Page
To Previous Page IconTo Previous Page
Loading...
42
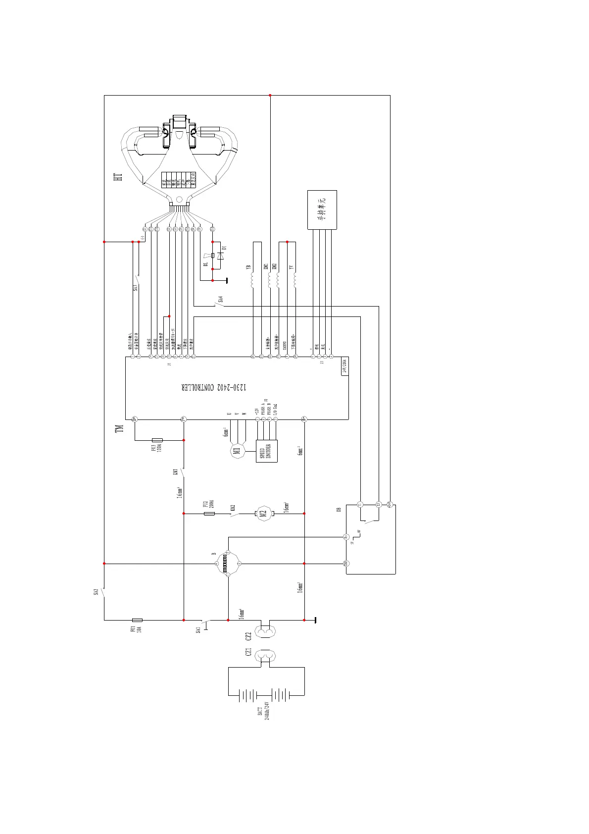
Standard Full Electric Pallet Stacker