EasyManua.ls Logo

Xilin CDDR - Page 47

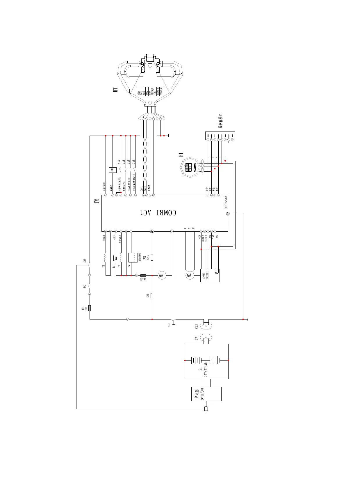
Xilin CDDR
60 pages
Print Icon
To Next Page IconTo Next Page
To Next Page IconTo Next Page
To Previous Page IconTo Previous Page
To Previous Page IconTo Previous Page
Loading...
43
High-equipped all-electric Pallet Stacker