EasyManua.ls Logo

Xilinx XC4000 Series - Page 47

Xilinx XC4000 Series
55 pages
To Next Page IconTo Next Page
To Next Page IconTo Next Page
To Previous Page IconTo Previous Page
To Previous Page IconTo Previous Page
Loading...
September 18, 1996 (Version 1.04) 4-51
D
EC
Q
M
M
Q
L
rd
M
DELAY
M M
M M
Input Clock IK
I - capture
I - update
GLOBAL
S/R
FLIP-FLOP/LATCH
INVERT
S/R
Input Data 1 I1
Input Data 2 I2
X5792
PAD
V
CC
SLEW
RATE
PULL
UP
M
OUT
SEL
D
EC
Q
rd
M
M
M
INVERT
OUTPUT
M
M
INVERT
S/R
Ouput Clock OK
Clock Enable
Ouput Data O
O - update
Q - capture
O - capture
Boundary
Scan
M
EXTEST
TS - update
TS - capture
3-State TS
sd
sd
TS INV
OUTPUT
TS/OE
PULL
DOWN
INPUT
Boundary
Scan
Boundary
Scan
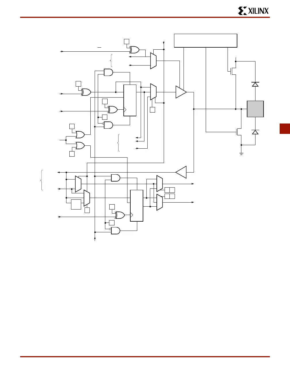
Figure 42: Block Diagram of XC4000E IOB with Boundary Scan (some details not shown).
XC4000EX Boundary Scan Logic is Identical.

Table of Contents

Related product manuals