EasyManua.ls Logo

Yale MPB045VG

Yale MPB045VG
84 pages
To Next Page IconTo Next Page
To Next Page IconTo Next Page
To Previous Page IconTo Previous Page
To Previous Page IconTo Previous Page
Loading...
END POSSIBLE CAUSES
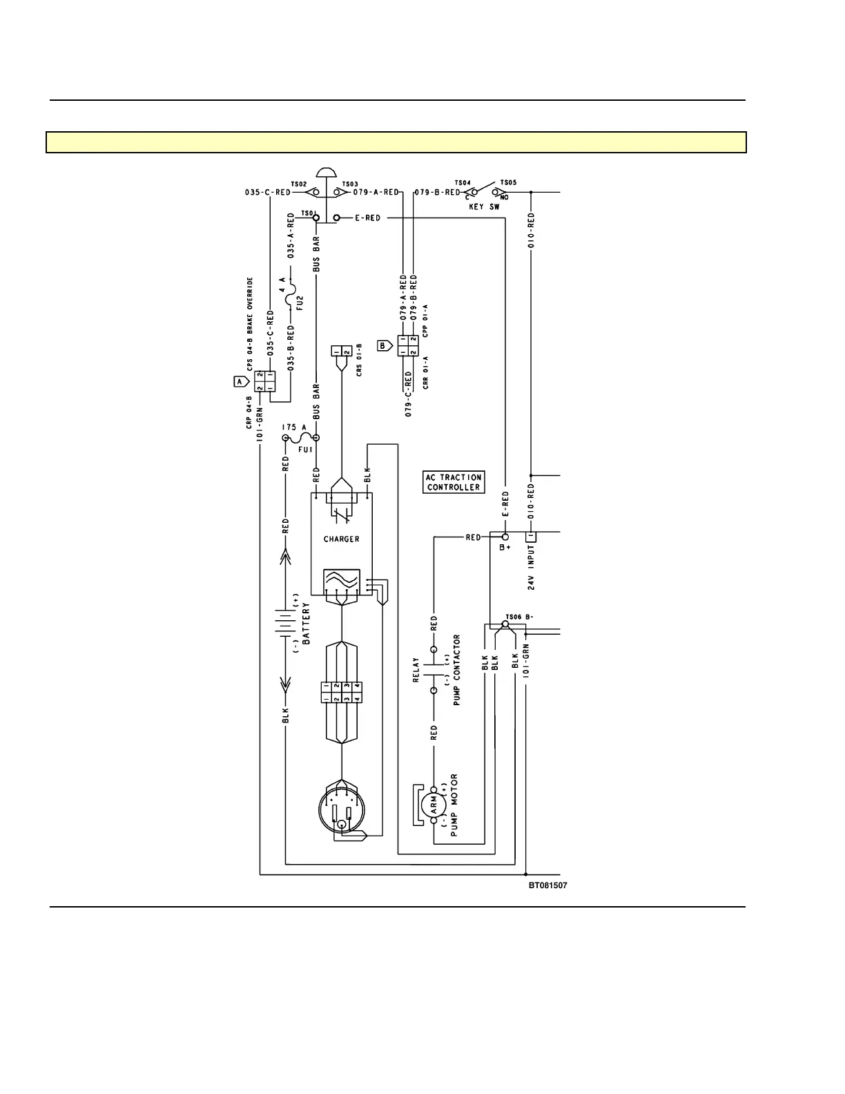
DIAGRAMS
END FAULT
Diagnostic Trouble Codes ELECTRICAL SYSTEM
Check the Service Manual section in Yale Axcess Online for possible updates and check pertinent Bulletins
9030-20-36 Confidential/Proprietary - Do Not Copy or Duplicate

Table of Contents

Other manuals for Yale MPB045VG

Related product manuals