EasyManua.ls Logo

Yamaha 67C - Page 158

Yamaha 67C
497 pages
Print Icon
To Next Page IconTo Next Page
To Next Page IconTo Next Page
To Previous Page IconTo Previous Page
To Previous Page IconTo Previous Page
Loading...
3-47
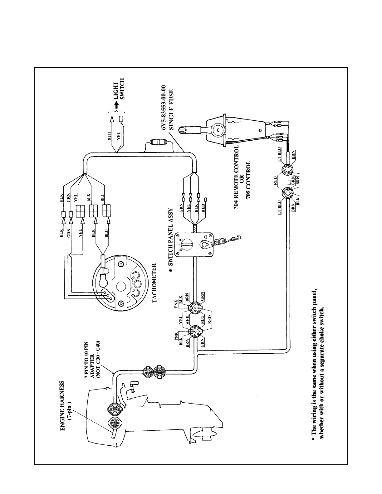
Outboard Rigging Guide - 2001 Boat Wiring Diagrams
9.9 ~ 30HP, 30 ~ C40 ~ 98 with 10-pin Switch Panel and Analog Tachometer

Table of Contents