EasyManua.ls Logo

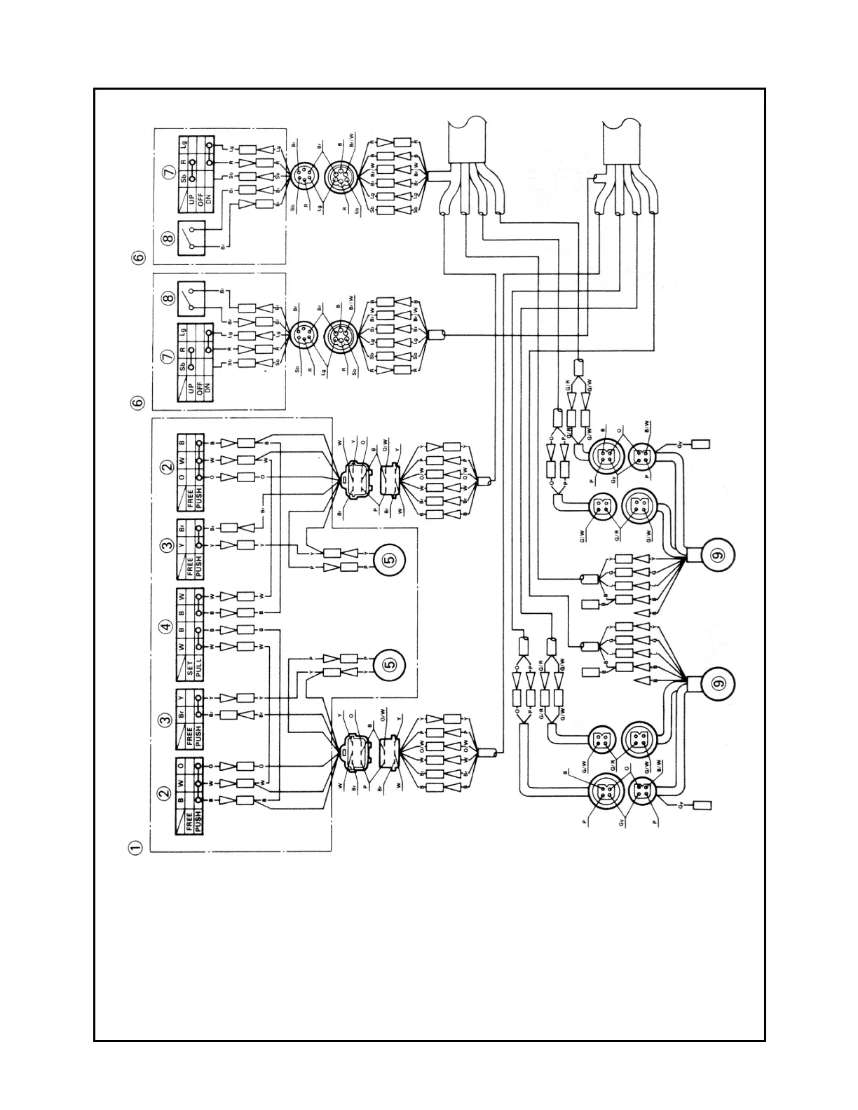
Yamaha 67C - SECOND STATION (Twin Engine)

Yamaha 67C
497 pages
Print Icon
To Next Page IconTo Next Page
To Next Page IconTo Next Page
To Previous Page IconTo Previous Page
To Previous Page IconTo Previous Page
Loading...
10A-39

Table of Contents