EasyManua.ls Logo

Yamaha 85AEHD - SINGLE STATION W; 6 Y8 GAUGE SINGLE ENGINE APPLICATION (6 X7 Concealed Digital Electronic Control)

Yamaha 85AEHD
329 pages
Print Icon
To Next Page IconTo Next Page
To Next Page IconTo Next Page
To Previous Page IconTo Previous Page
To Previous Page IconTo Previous Page
Loading...
7-20
16
16
ECM
1
39
43
(*1) For 6Y9 network system
19
SPEED/FUEL
TAC H
GPS
Fuel tank 1
(*1)
13
14
12
16
22
12
9
13
13
13
(GND)
(+)
Not used
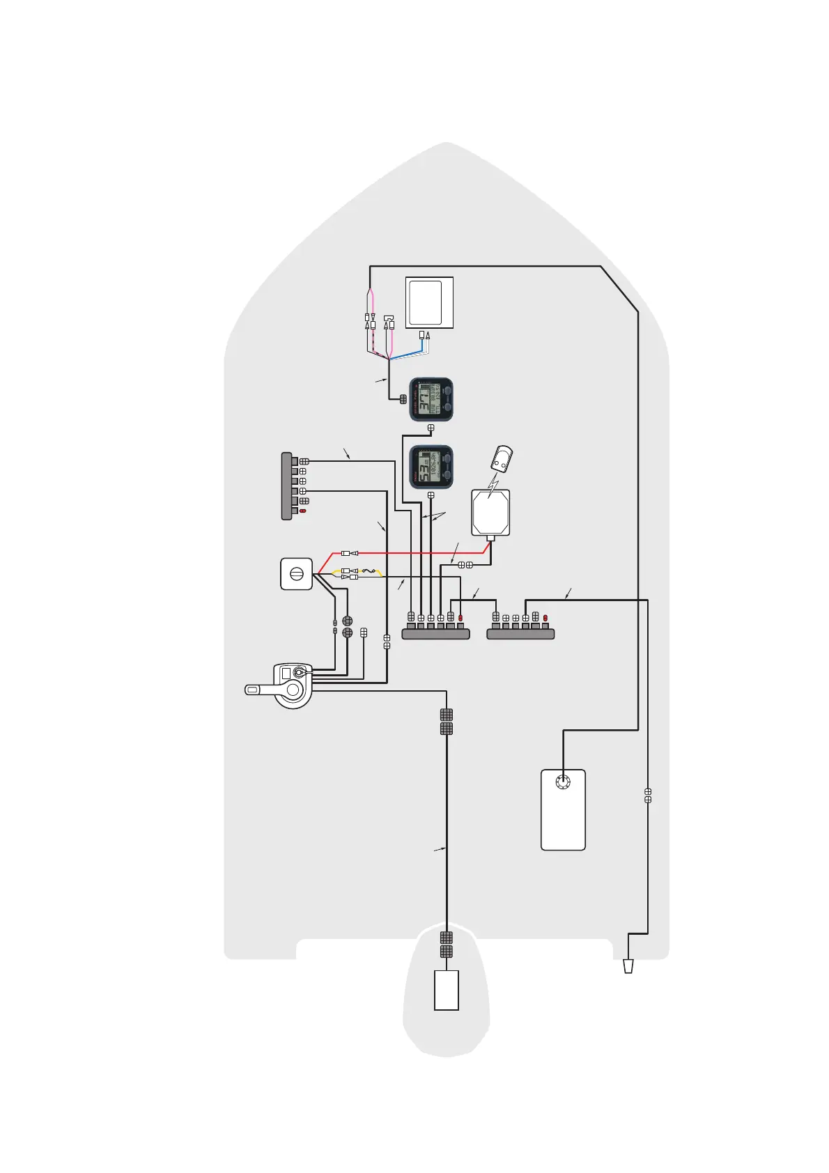
NETWORK WIRING DIAGRAMS
SINGLE STATION W/ 6Y8 GAUGE SINGLE ENGINE APPLICATION (6X7 concealed
Digital Electronic Control)

Table of Contents

Other manuals for Yamaha 85AEHD

Related product manuals