EasyManua.ls Logo

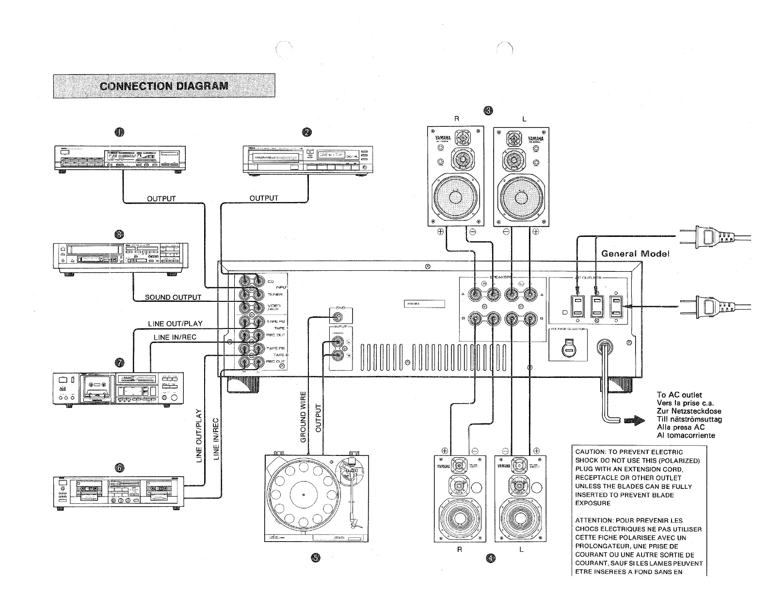
Yamaha AX-430 - Connection Diagram Overview

Yamaha AX-430
11 pages
Print Icon
To Next Page IconTo Next Page
To Next Page IconTo Next Page
To Previous Page IconTo Previous Page
To Previous Page IconTo Previous Page
Loading...

Related product manuals