EasyManua.ls Logo

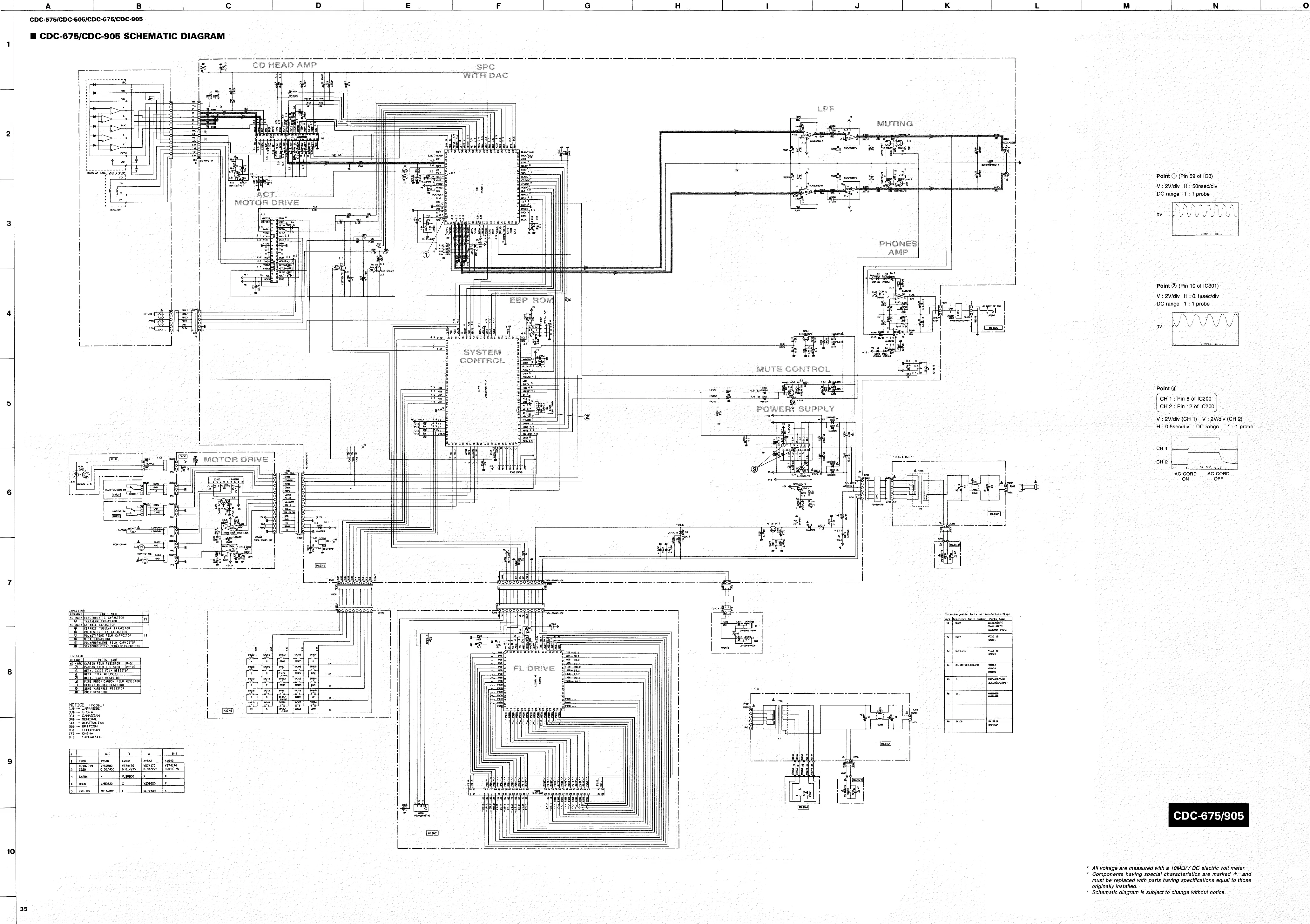
Yamaha CDC-675 - Schematic Diagram (CDC-675;CDC-905)

Yamaha CDC-675
46 pages
Print Icon
To Next Page IconTo Next Page
To Next Page IconTo Next Page
To Previous Page IconTo Previous Page
To Previous Page IconTo Previous Page
Loading...