EasyManua.ls Logo

Yamaha CRX-E500 - Page 34

Yamaha CRX-E500
47 pages
Print Icon
To Next Page IconTo Next Page
To Next Page IconTo Next Page
To Previous Page IconTo Previous Page
To Previous Page IconTo Previous Page
Loading...
2
ABCDEFGH I J
1
3
4
5
7
CDC-E500
6
34
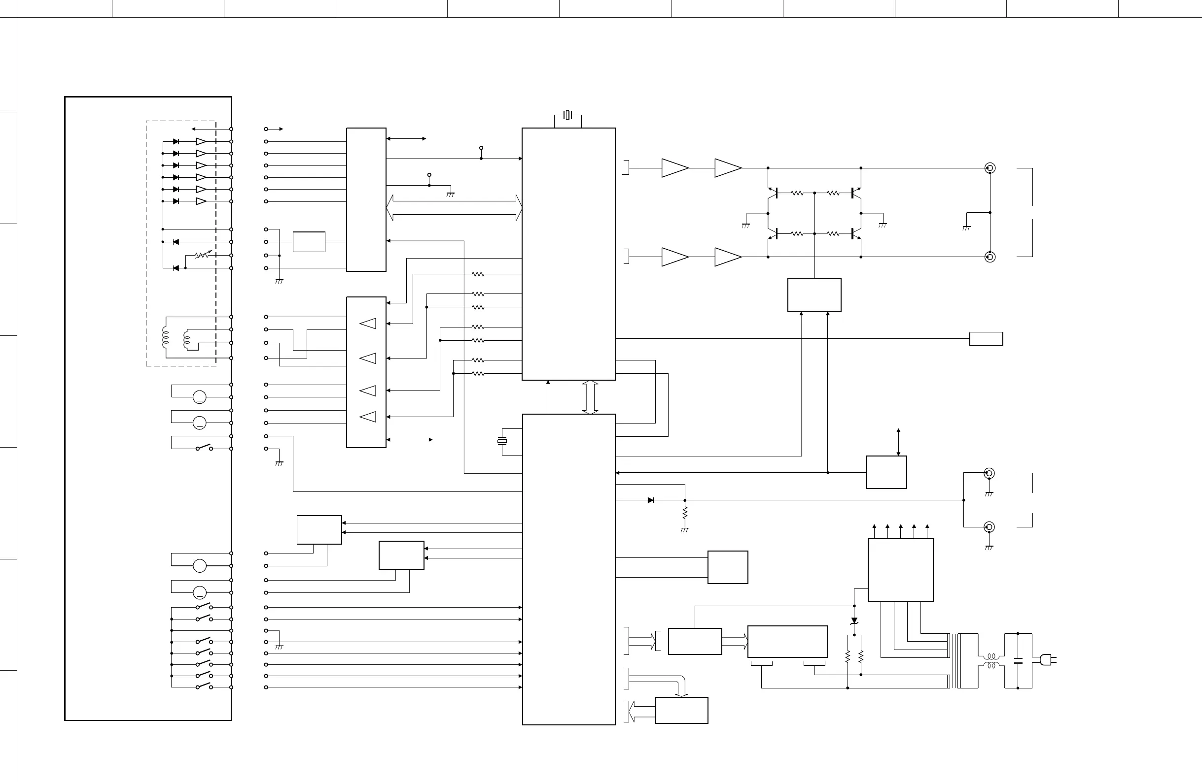
BLOCK DIAGRAM
IC202
MN35511AL
SPC+DAC
HEAD
AMP
IC200
AN8399SA
CONTROL
SYSTEM CONTROL
IC201
16 bit CPU
M30624FGAFP
C
O
N
T
R
O
L
DISPLAY DRIVE
IC300
LC75710NE
POWER SUPPLY
IC5
Q4
D14, 15, 18, 19, 20
MUTE CONTROL
Q4
D4, 5, 10, 11
CB25
DISPLAY
V300
SPINDLE
PICK UP
FOCUS
TRACKING
FEED
FLSW
CARRIAGE
CARRIAGE EXTRA POSITION
CARRIAGE HOME POSITION
CARRIAGE SW
COMMON
CARRIAGE SW
DRAWER O/C SW
SLIDER/F SW
SLIDER/R SW
VCC VCC
E
D
A
B
C
F
GND
LD
VR
PD
FCS+
TRK+
TRK
FCS
SPDL+
SPDL
FEED+
FEED
FLSW
GND
CM+
CM-
EX
FLSW
+5
+5
ARF
EFM
TP201
VREF
5
9
28
32
29
31
30
27
2
11
10
13
12
16
17
14
15
37
1
17
7
24
3
1
25
26
9, 23
IC1
AN4801SB
+5A
23
LDRCTL 3
22
21
25
24
27
26
28
29
44
65
66
63
6576
2332
64
IC207
IC207
Q6
Q7
Q8
Q9
15
13
12
35
37
38
18
XL201
RESET
IN
OUT
D205
71 MUTE
MDATA
MCLK
7
8
6TX
MDATA
MCLK
OUT L
OUT R
DIGITAL OUT
OPTICAL
LINE OUT
61
64
|
47
48
50
51
-VB +VB+B +5A+5
+5
SYSCON
T500
L500
52
51
36 37 69 70
F1
F2
D3
L
PJ1
JK1
R
SYSTEM
CONNECTOR
FDO
KICK
TRD
ECM
ECS
TRV
TVD
58 59
XL101
IC208
IC208
60
61
63
55
56
57
K0-K2
KD0, KD1, KD2
KEY MATRIX
SW300308
VF
ACF
ACF
IC203
EEP ROM
S-29190A
3
4
40
33
CE
CL
M
M
M
LD DRIVE
Q1
CD MECHA. UNIT
NM1+ 77
NM1- 78
ARF
CARRIAGE
IC2
TA8409S
DRAWER
DM-
DM+
37
M
NM2- 79
NM2+ 80
EX 87
HOME 86
RVS 81
FWD 82
O/C 83
D1 84
D2 85
DRAWER
IC3
TA8409S
HOME
GND
D2
D1
O/C
FWD
RVS
GND
TP200
IC6
RESET
M51953FP
6
7

Related product manuals