EasyManua.ls Logo

Yamaha DBR10 - Setup Examples and Scenarios; Diverse System Configurations; Troubleshooting Common Problems; Solutions for Operational Issues

Yamaha DBR10
10 pages
Print Icon
To Next Page IconTo Next Page
To Next Page IconTo Next Page
To Previous Page IconTo Previous Page
To Previous Page IconTo Previous Page
Loading...
EN
Simple system with a single DBR
This example illustrates the system when connecting directly to a microphone, musical instrument, or
background music source without using a mixer.
Main application: small-sized live venue, presentations, restaurants
Note
For CH2, inputs to the combo jack and to the RCA pin jacks will be mono mixed at a fixed balance. If you want to
change the balance, adjust the volume of the connected sound source.
Musical instrument
Microphone
Background music source
System with two DBRs and subwoofers
This system is the most suitable for a main speaker system. If desired, you can add another DBR to create
a floor monitor system.
Main application: small-sized live venue, house of worship, event site
Note
We recommend to use Yamaha DXS series (referred to in this manual as DXS) as a subwoofer. In this case,
we recommend that the DBR’s HPF cutoff frequency and the DXS’s LPF cutoff frequency are set to the same
settings; however, you can adjust it as desired.
R L
Subwoofer Mixer Subwoofer
1
3
2
1
3
4
5
5
4
6
7
8
9
E
0
A
A
B
C
D
E
F
G
Setup Examples
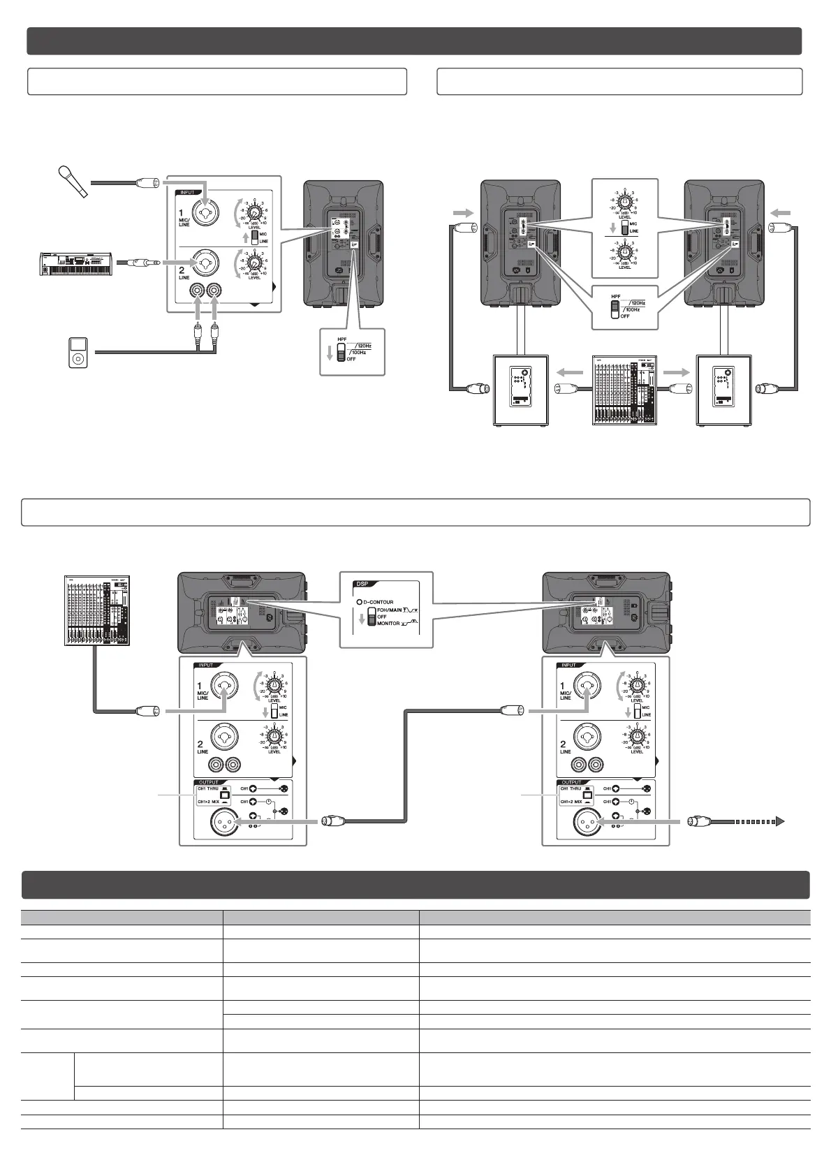
Floor monitor system
This system is suitable for a performer’s monitoring system. For use as a vocal monitor, set the [D-CONTOUR] switch to [MONITOR].
If necessary, you can additionally connect up to four speakers in parallel. In this case we recommend that the signal is input to CH1 and the output switch is set to [CH1 THRU].
To next speaker
Mixer
Set to [CH1 THRU]Set to [CH1 THRU]
EN
1
3
2
1
3
4
5
5
4
6
7
8
9
E
0
A
A
B
C
D
E
F
G
Troubleshooting
Symptom Possible causes Possible solution
Power does not turn on. The power cord is not connected properly. Connect the power cord all the way in so that it is firmly in place.
Power suddenly went off. The protection system has been activated, shutting
down the power supply.
Turn off the power, wait until the amplifier cools down, and then turn on again.
No Sound. The cable is not connected properly. Connect the cable all the way in so that it is firmly in place.
Sound is interrupted suddenly. The protection circuit has been activated, muting the
output.
Wait until the amplifier cools down. If the unit won’t automatically reset itself, turn off the power, and then on
again.
Sound howls (feedback). A microphone is directed toward the speaker. Aim the speaker away from the area where the microphone picks up sound.
Sound is amplified too much. Lower the volume of input device and locate the microphone more closely to the sound source.
Each speaker sound differs (if multiple speakers are
used).
Settings for each speaker differ. Set the [HPF] switch and [D-CONTOUR] switch of each speaker to the same positions.
Sound is
distorted.
The [LIMIT] indicator is off. Input volume is excessive. When the [MIC/LINE] switch is set to [MIC], and even if you lower the volume fully the sound is still distorted,
set the switch to the [LINE] position. If the sound is still distorted even if the switch has been set to [LINE],
lower the volume of the connected input devices.
The [LIMIT] indicator is on. Output volume is excessive. Turn the [LEVEL] knob to lower the output level to a point so that the [LIMIT] indicator lights only occasionally.
The microphone volume is too low. The [MIC/LINE] switch is set to [LINE]. Set the [MIC/LINE] switch to the [MIC] position.
Low and high frequency are unbalanced. The output limiter is active. Lower the input level or the output level until the [LIMIT] indicator lights occasionally.
If any specific problem should persist, however, please contact your Yamaha dealer.

Other manuals for Yamaha DBR10

Related product manuals