EasyManua.ls Logo

Yamaha DR2E17 - Conexiones Eléctricas

Yamaha DR2E17
206 pages
Print Icon
To Next Page IconTo Next Page
To Next Page IconTo Next Page
To Previous Page IconTo Previous Page
To Previous Page IconTo Previous Page
Loading...
1
2
3
4
5
6
7
8
9
10
11
10-1S
J0C
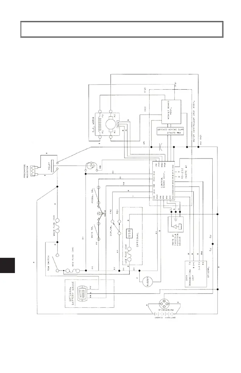
CONEXIONES ELÉCTRICAS
DIAGRAMA ELÉCTRICO
DE DR2E17
J0C-F8199-60_ES.qxp_LIT_19626_16_05.qxd 6/27/16 2:53 PM Page 50

Related product manuals