EasyManua.ls Logo

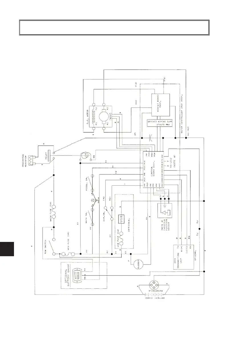
Yamaha DR2E17 - DR2 E17 Wiring Diagram; Main Power and Control Wiring; Motor and Sensor Wiring

Yamaha DR2E17
206 pages
Print Icon
To Next Page IconTo Next Page
To Next Page IconTo Next Page
To Previous Page IconTo Previous Page
To Previous Page IconTo Previous Page
Loading...
1
2
3
4
5
6
7
8
9
10
11
10-1
J0C
WIRING
DR2E17 WIRING DIAGRAM
J0C-F8199-60.qxp_LIT_19626_16_05.qxd 6/27/16 2:50 PM Page 50

Related product manuals