EasyManua.ls Logo

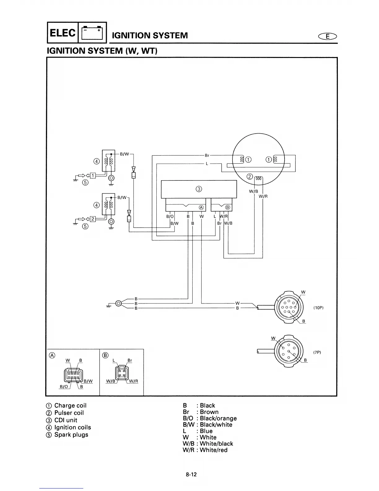
Yamaha E40X - Ignition System (W, WT) Diagram

Yamaha E40X
416 pages
Print Icon
To Next Page IconTo Next Page
To Next Page IconTo Next Page
To Previous Page IconTo Previous Page
To Previous Page IconTo Previous Page
Loading...

Table of Contents

Other manuals for Yamaha E40X

Related product manuals