EasyManua.ls Logo

Yamaha F6C - Page 163

Yamaha F6C
202 pages
Print Icon
To Next Page IconTo Next Page
To Next Page IconTo Next Page
To Previous Page IconTo Previous Page
To Previous Page IconTo Previous Page
Loading...
9-2
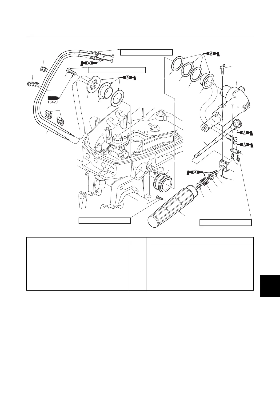
Tiller handle
0
1
2
3
4
5
6
7
8
9
10
A
No. Part name Q’ty Remarks
18 Cotter pin 1

19 Bushing 1
20 Washer 2
21 Spring 1
22 Throttle grip 1
23 Throttle grip screw 1 M5 20 mm
24 Bushing 1
2
1
5
3
6
7
8
4
3
24
20
21
20
19
18
23
22
17
14
16
15
13
12
10
9
9
11
28 N·m (2.8 kgf·m, 20.7 ft·lb)
4 N·m (0.4 kgf·m, 3.0 ft·lb)
4 N·m (0.4 kgf·m, 3.0 ft·lb)
4 N·m (0.4 kgf·m, 3.0 ft·lb)

Table of Contents

Other manuals for Yamaha F6C

Related product manuals