EasyManua.ls Logo

Yamaha MX825V - Page 76

Yamaha MX825V
158 pages
Print Icon
To Next Page IconTo Next Page
To Next Page IconTo Next Page
To Previous Page IconTo Previous Page
To Previous Page IconTo Previous Page
Loading...
3-38
1
2
3
4
5
6
7
8
9
10
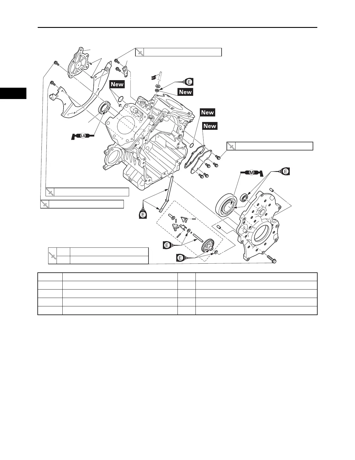
ENGINE
PISTONS, CAMSHAFT, CRANKCASE, AND CRANKSHAFT
Order Job/Parts to remove Q’ty Remarks
12 Cover 1 1
13 Dowel pin 2
14 Reed valve 1
15 Oil seal 1
12
13
14
15
(8)
(5)
(5)
9 Nm (0.9 kgfm, 6.6 lbft)
10 Nm (1.0 kgfm, 7.4 lbft)
10 Nm (1.0 kgfm, 7.4 lbft)
7 Nm (0.7 kgfm, 5.2 lbft)
30 Nm (3.0 kgfm, 22 lbft)
12 Nm (1.2 kgfm, 8.9 lbft)
1st
2nd

Table of Contents

Related product manuals