EasyManua.ls Logo

Yamaha MX825V - Carburetor Assembly

Yamaha MX825V
158 pages
Print Icon
To Next Page IconTo Next Page
To Next Page IconTo Next Page
To Previous Page IconTo Previous Page
To Previous Page IconTo Previous Page
Loading...
4-3
1
2
3
4
5
6
7
8
9
10
FUEL
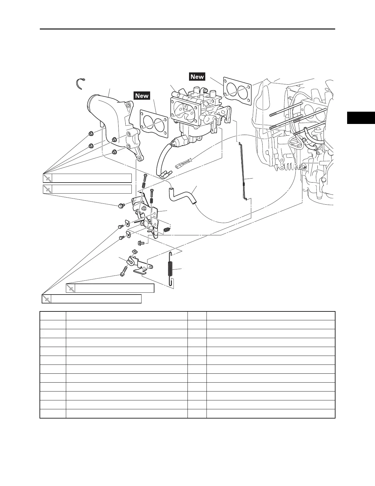
CARBURETOR ASSEMBLY
CARBURETOR ASSEMBLY
REMOVING THE CARBURETOR
Order Job/Parts to remove Q’ty Remarks
Removing the carburetor Remove the parts in the order listed.
Air filter case Refer to “AIR FILTER” on page 3-3.
1 Governor spring 1
2 Governor assembly 1
3 Throttle lever comp 1
4 Link rod/spring 1/1
5 Breather hose 1
6Joint 1 1
7Gasket 1
8 Carburetor assembly 1
9Gasket 1
1
2
3
4
5
6
7
8
9
8 Nm (0.8 kgfm, 5.9 lbft)
7 Nm (0.7 kgfm, 5.2 lbft)
7 Nm (0.7 kgfm, 5.2 lbft)
1.1 Nm (0.11 kgfm, 0.81 lbft)

Table of Contents

Related product manuals