EasyManua.ls Logo

Yamaha NX-E270 - Speaker Connections; Basic Connection Example

Yamaha NX-E270
13 pages
Print Icon
To Next Page IconTo Next Page
To Next Page IconTo Next Page
To Previous Page IconTo Previous Page
To Previous Page IconTo Previous Page
Loading...
6
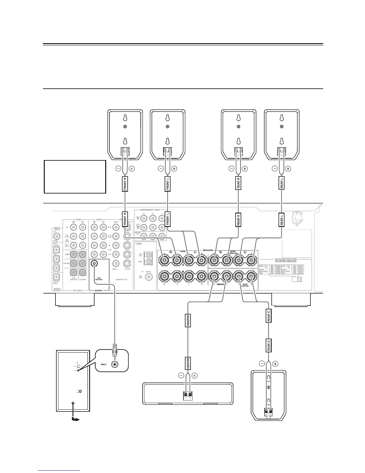
Connections
Caution: Plug the power cables for the subwoofer and other audio/video components into an AC
outlet only after you complete all other connections.
Basic connection example
To AC outlet
Center speaker
Surround back speaker
(in NS-P276 systems)
Subwoofer
Amplifier
Front speakers
Surround speakers
Right
Right
Left
Left
Note: The rear panel
of various amplifiers
may differ in
appearance.

Related product manuals