EasyManua.ls Logo

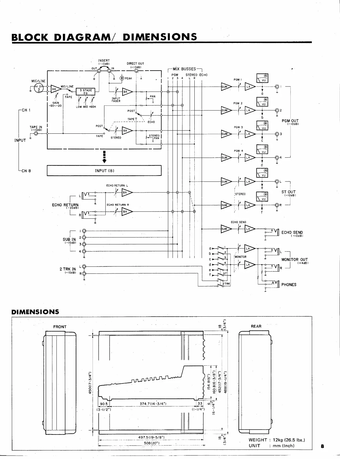
Yamaha RM804 - RM804 Diagrams and Dimensions; Block Diagram and Level Diagram; Physical Dimensions

Yamaha RM804
12 pages
Print Icon
To Next Page IconTo Next Page
To Next Page IconTo Next Page
To Previous Page IconTo Previous Page
To Previous Page IconTo Previous Page
Loading...
BLOCK
DIAGRAM/
DIMENSIONS
INSERT
(-109В]
DIRECT
OUT
—Q-—
1048)
[-
МІХ
BUSSES
Г
ом
STEREO
ECHO
23
4
MIC/LINE
LOW
мо
HIGH
HM
|
OUT
108В)
Та
ар,
L|
j|
TAPE
STEREO
TURA
|
INPUT
-—
-~
a
m
*
CH
8
INPUT
(8)
ECHO
RETURN
L
-
>
ото
$
ST
OUT
"E
Г.
Ч]
*
1
-10d8)
ECHO
RETURN
ECHO
RETURN
R
И
1
ECHO SEND
p
|
р>
ан.
У]
ECHO
SEND
tod
SUB
IN
20
B
(-104В}
30
amd
Cy
|
-
b
»—o
и
като
QUT
{+498}
2
ТВК
IN
Ie
i-10d8!
Л
phones
DIMENSIONS
uM
т
FRONT
9x
|
-
ши
г,
=
=
=~;
ра
тооч
5
ENRE
1
:
со:
pl
blu
1
M
шо
Е
око
в
ее
9
|
-
-
iiu
874.714
-3/4")
o.
а
н
м
(3-1/2")
(l-1/4"):
n
|
|
_
6.
Ш
сЕ
|
|
H
DT
|
вау
ы
eg
WEIGHT
:
12kg
(26.5
Ibs.)
——
c
cm
~
UNIT
:
mm
(Inch)

Related product manuals