EasyManua.ls Logo

Yamaha RX-V430 - Page 52

Yamaha RX-V430
102 pages
Print Icon
To Next Page IconTo Next Page
To Next Page IconTo Next Page
To Previous Page IconTo Previous Page
To Previous Page IconTo Previous Page
Loading...
2
ABCDEFGH I J
1
3
4
5
7
RX-V530/RX-V530RDS/HTR-5550/HTR-5550RDS/DSP-AX530
RX-V430/RX-V430RDS/HTR-5540/HTR-5540RDS/DSP-AX430
6
52
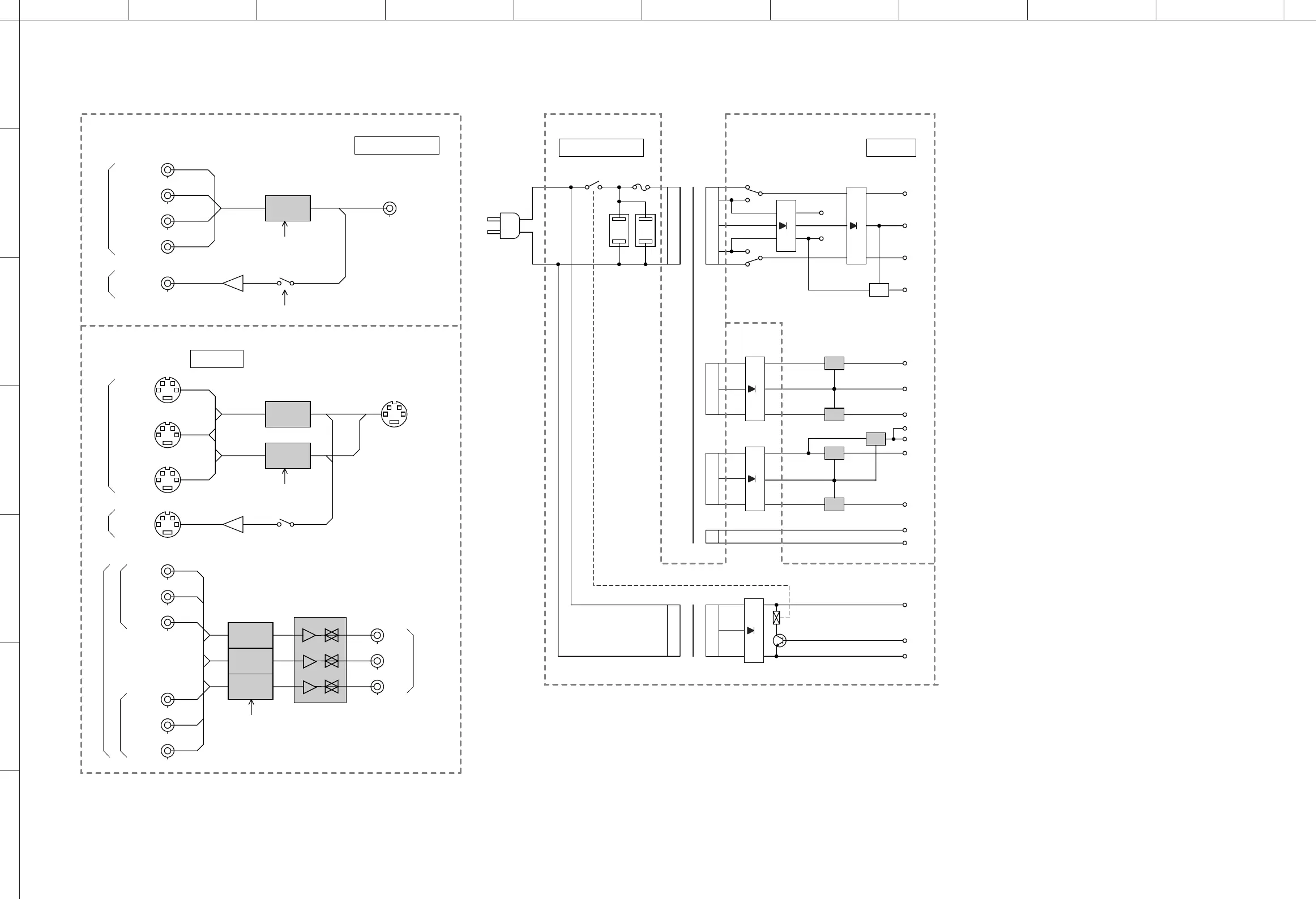
BLOCK DIAGRAM (2/2)
34
12
DVD/LD
34
12
D-TV
34
12
VCR IN
34
12
VCR OUT
DVD/LD
D-TV/CBL
VCR IN
VIDEO AUX
34
12
S-MONITOR
VCR OUT
S-VIDEO
REC OUT
VIDEO
REC OUT
VIDEO INPUT
Y
Cb
Cr
D-TV
Y
Cb
Cr
DVD
Y
Cb
Cr
RY921
SW381 (U, C, A, B, G, L, R, T, K models only)
SW381
8ohm/4ohm
+BL
-BL
+B2
+B2
+B3
-B3
D381
D382~385
D601D602
+B
-B
-33
G
-VP
+12
-12
Q35
IC401
IC402
+12
-12
G
D924~925, 927, 928
+5
-5
IC403
IC404
+5
-5
+5D2
FL1
FL2
Q921
s12
PRY
SG
F922
IC901
413
711
115
+5
+5D1
IC405
MONITOR
INPUT
SELECTOR
IC551
Y
SELECTOR
IC902
Cb
SELECTOR
IC902
Cr
SELECTOR
IC902
MONITOR OUT
COMPONENT VIDEO
See page 71 SCHEMATIC DIAGRAM
RX-V530/RX-V530RDS/HTR-5550/HTR-5550RDS/DSP-AX530 only
MAIN
See page 72~74 SCHEMATIC DIAGRAM
FUNCTION
See page 67~68
SCHEMATIC DIAGRAM
FUNCTION
See page 67~68 SCHEMATIC DIAGRAM
Q553, 555
Q551
/VR1
VIA, VIB
VIDEO
C-INPUT
SELECTOR
IC801
Q803~806
Q801, 802
CMP0, CMP1
Y-INPUT
SELECTOR
IC802
VIA, VIB
C
Y
S-VIDEO INPUT

Other manuals for Yamaha RX-V430

Related product manuals