EasyManua.ls Logo

Yamaha YMF724 - SPDIF Cable for D10;G50; Card Figure for Ymf724 J80 A

Yamaha YMF724
14 pages
Print Icon
To Next Page IconTo Next Page
To Next Page IconTo Next Page
To Previous Page IconTo Previous Page
To Previous Page IconTo Previous Page
Loading...
YMF724 PCI Sound Card Configuration/Hardware
Page -
4
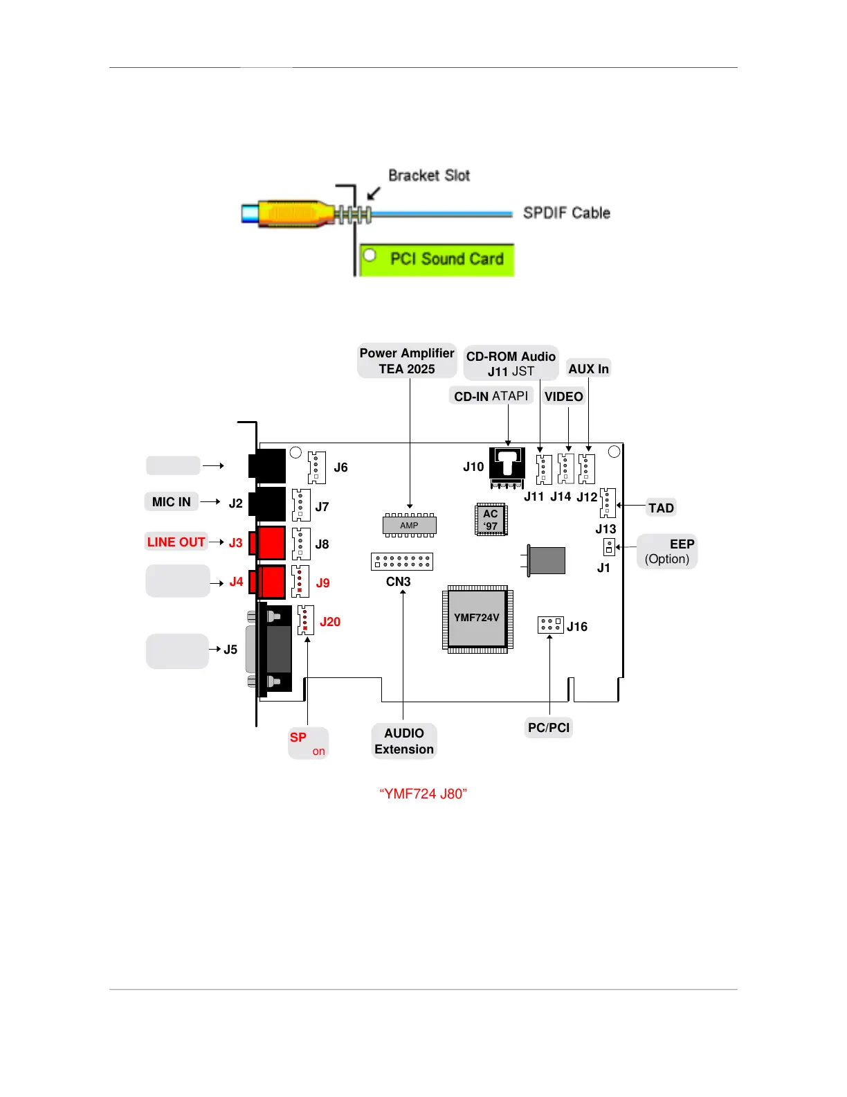
1.3.1. SPDIF Cable for D10/G50
If your package contains a SPDIF cable and you want to use digital Output (SPDIF
connector), please insert the SPDIF cable into the bracket slot of your PCI sound card, as
displayed in the following figure.
1.4. Card Figure for “YMF724 J80
J1
llllllllllllllllllllllllllllllllll
lllllll
SPEAKER
OUT
LINE IN
MIDI/
JOYSTICK




YMF724V











AC
‘97





PC/PCI
SPDIF
Option
CD-ROM Audio
J11
JST
VIDEO
TAD
Power Amplifier
TEA 2025
MIC IN
J2
LINE OUT
J3
J4
J5
J6
J7
J8
J9
J16
J13
J10
J11 J14
J20
J12
AUX In
CN3
AUDIO
Extension
J19
PC-BEEP
(Option)
CD-IN
ATAPI
AMP
“YMF724 J80”

Related product manuals