EasyManua.ls Logo

Yamaha YMF724 - Card Figure for Ymf724 J80 B

Yamaha YMF724
14 pages
Print Icon
To Next Page IconTo Next Page
To Next Page IconTo Next Page
To Previous Page IconTo Previous Page
To Previous Page IconTo Previous Page
Loading...
YMF724 PCI Sound Card Configuration/Hardware
Page -
5
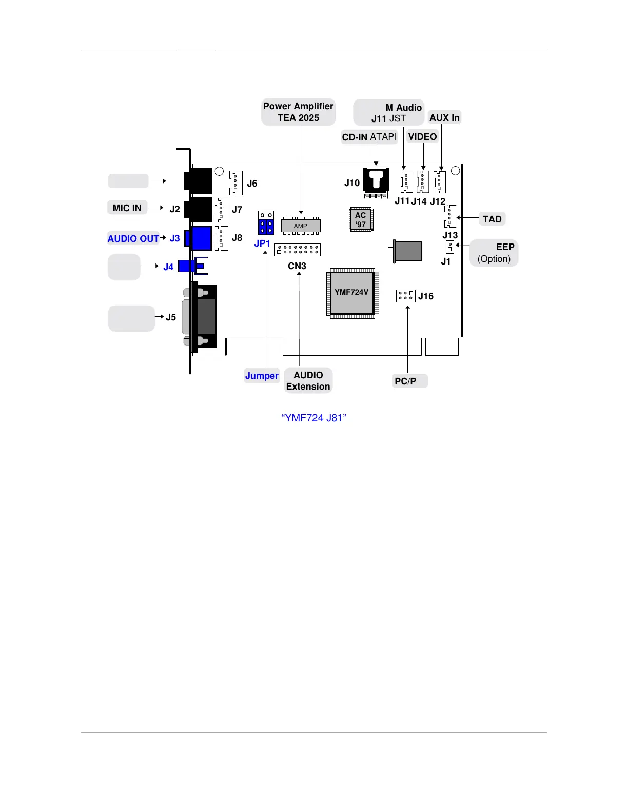
1.5. Card Figure for “YMF724 J81
J1
llllllllllllllllllllllllllllllllll
lllllll
SPDIF
OUT
LINE IN
MIDI/
JOYSTICK




YMF724V











AC
‘97





PC/PCI
CD-ROM Audio
J11
JST
VIDEO
TAD
Power Amplifier
TEA 2025
MIC IN
J2
AUDIO OUT
J3
J4
J5
J6
J7
J8
Jumper
JP1
J16
J13
CD-IN
ATAPI
J10
J11
J14 J12
AUX In
CN3
AUDIO
Extension
J19
PC-BEEP
(Option)
AMP
“YMF724 J81”