EasyManua.ls Logo

Yamaha YTF2E - Page 52

Yamaha YTF2E
54 pages
Print Icon
To Next Page IconTo Next Page
To Next Page IconTo Next Page
To Previous Page IconTo Previous Page
To Previous Page IconTo Previous Page
Loading...
1
2
3
4
5
6
7
8
9
10
11
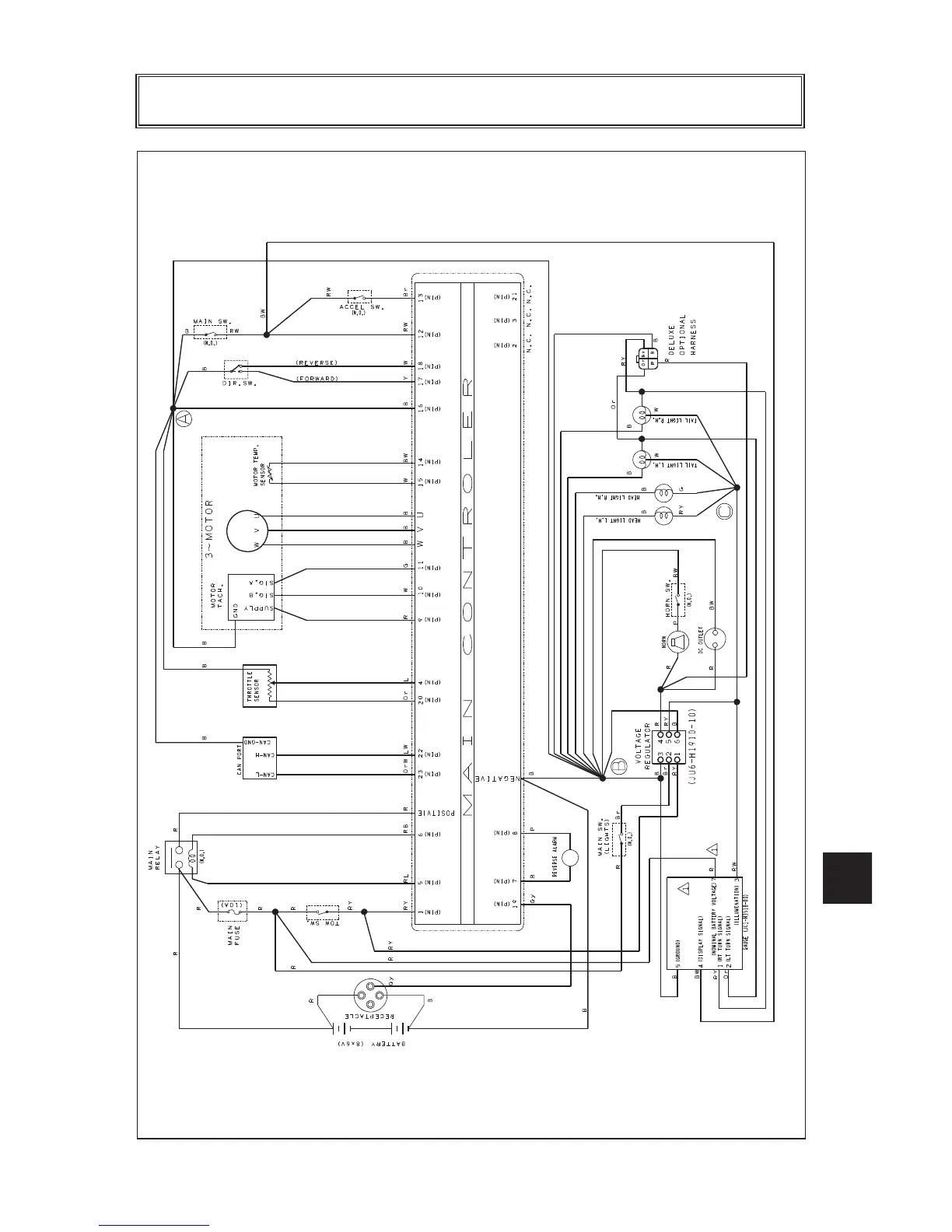
WIRING
10-2
JW3
Y-2395
YTF2E WIRING DIAGRAM
JW3-F8199-00.qxp_LIT_19626_16_05.qxd 2/16/15 4:05 PM Page 51

Related product manuals