EasyManua.ls Logo

Yamaha YTF2E - Wiring Diagram; YTF2 E Wiring Diagram

Yamaha YTF2E
54 pages
Print Icon
To Next Page IconTo Next Page
To Next Page IconTo Next Page
To Previous Page IconTo Previous Page
To Previous Page IconTo Previous Page
Loading...
WIRING
1
2
3
4
5
6
7
8
9
10
11
10-1
JW3
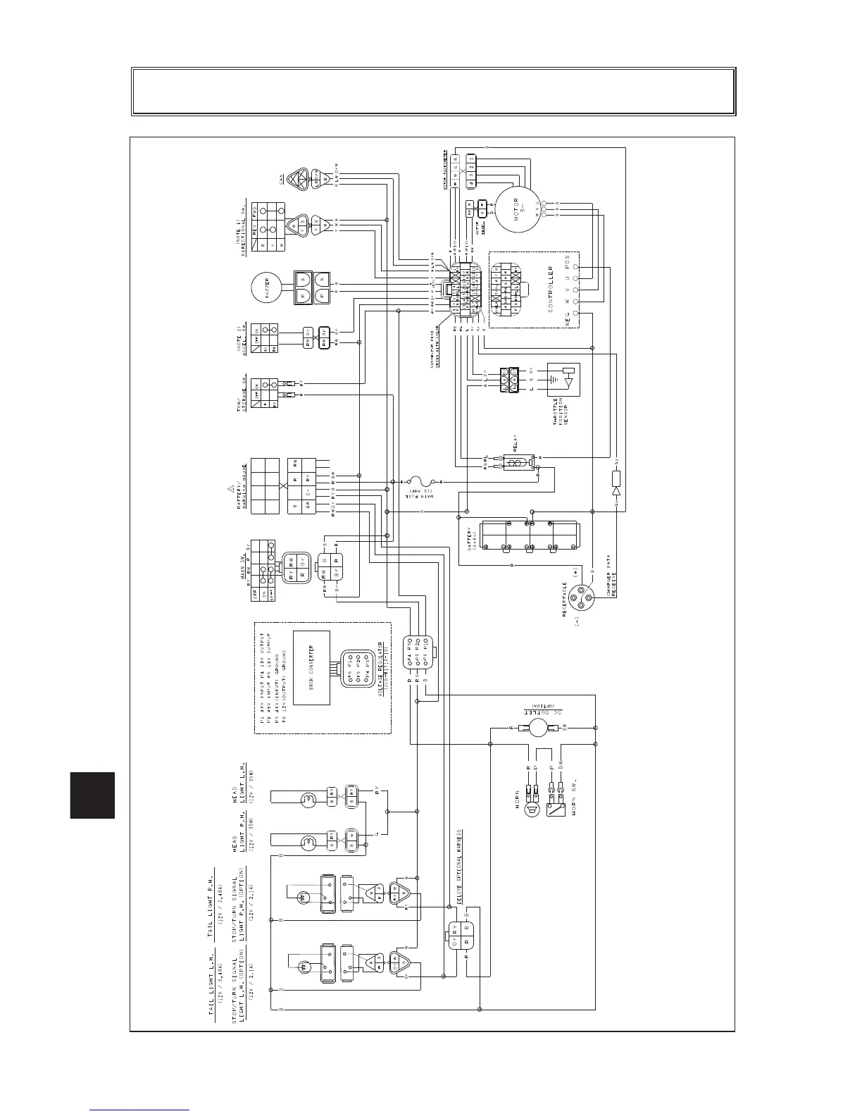
YTF2E WIRING DIAGRAM
Y-2394
JW3-F8199-00.qxp_LIT_19626_16_05.qxd 2/16/15 4:05 PM Page 50

Related product manuals