EasyManua.ls Logo

Yanmar 3HM35 - Page 325

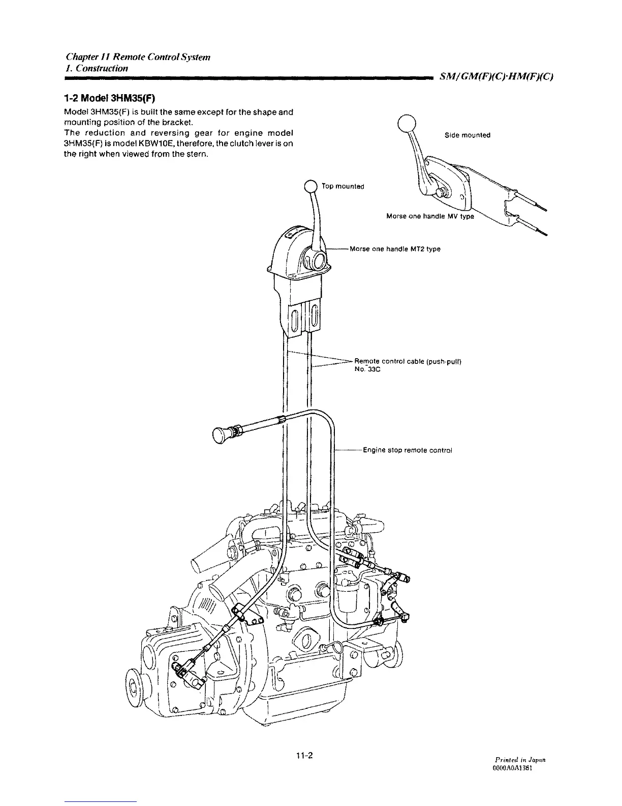
Yanmar 3HM35
463 pages
Print Icon
To Next Page IconTo Next Page
To Next Page IconTo Next Page
To Previous Page IconTo Previous Page
To Previous Page IconTo Previous Page
Loading...

Table of Contents

Other manuals for Yanmar 3HM35

Related product manuals