EasyManua.ls Logo

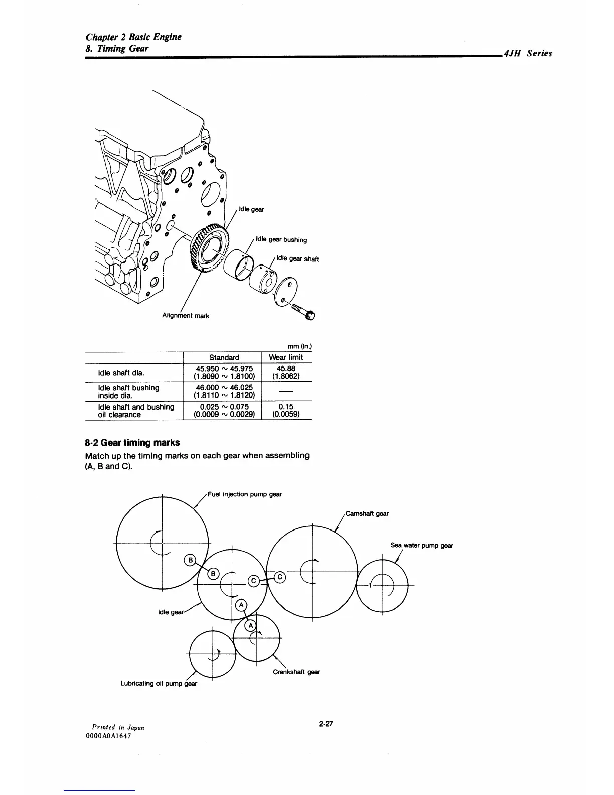
Yanmar 4JH-DTE - Gear Timing Marks

Yanmar 4JH-DTE
317 pages
Print Icon
To Next Page IconTo Next Page
To Next Page IconTo Next Page
To Previous Page IconTo Previous Page
To Previous Page IconTo Previous Page
Loading...

Table of Contents

Related product manuals