EasyManua.ls Logo

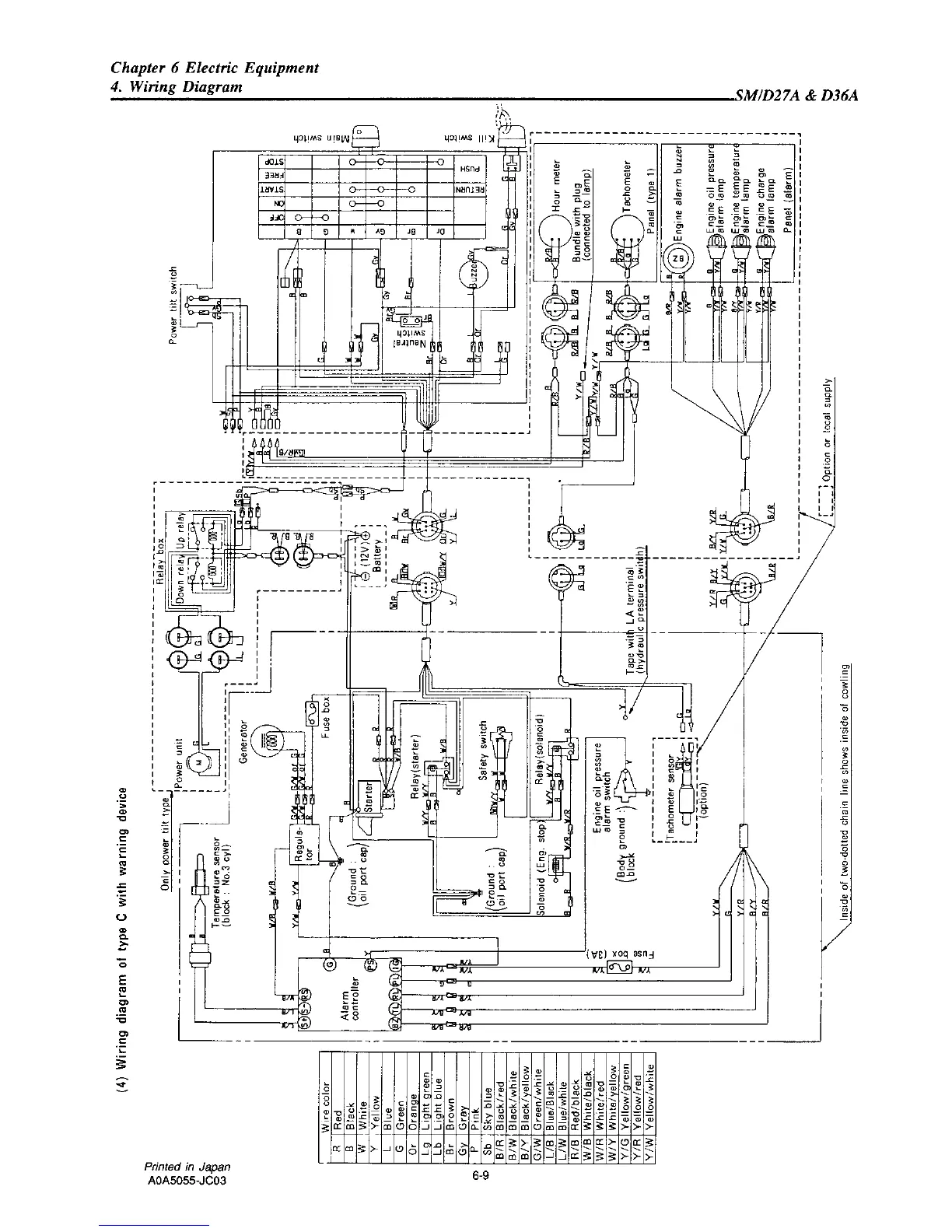
Yanmar D27 - Wiring Diagram of Type C with Warning Device

Yanmar D27
142 pages
Print Icon
To Next Page IconTo Next Page
To Next Page IconTo Next Page
To Previous Page IconTo Previous Page
To Previous Page IconTo Previous Page
Loading...

Table of Contents

Related product manuals