EasyManua.ls Logo

Yanmar YM240 - Front Axle

Yanmar YM240
122 pages
Print Icon
To Next Page IconTo Next Page
To Next Page IconTo Next Page
To Previous Page IconTo Previous Page
To Previous Page IconTo Previous Page
Loading...
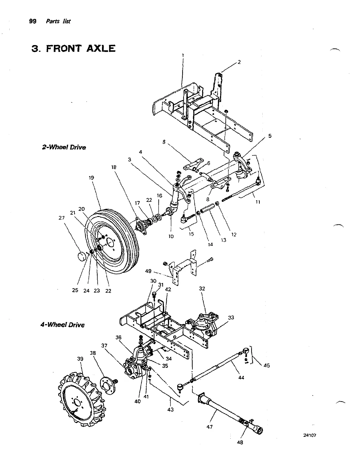
99
Pam
list
3.
FRONT
AXLE

Other manuals for Yanmar YM240

Related product manuals