EasyManua.ls Logo

Yard Machines Y28 - Page 63

Yard Machines Y28
64 pages
Print Icon
To Next Page IconTo Next Page
To Next Page IconTo Next Page
To Previous Page IconTo Previous Page
To Previous Page IconTo Previous Page
Loading...
E23
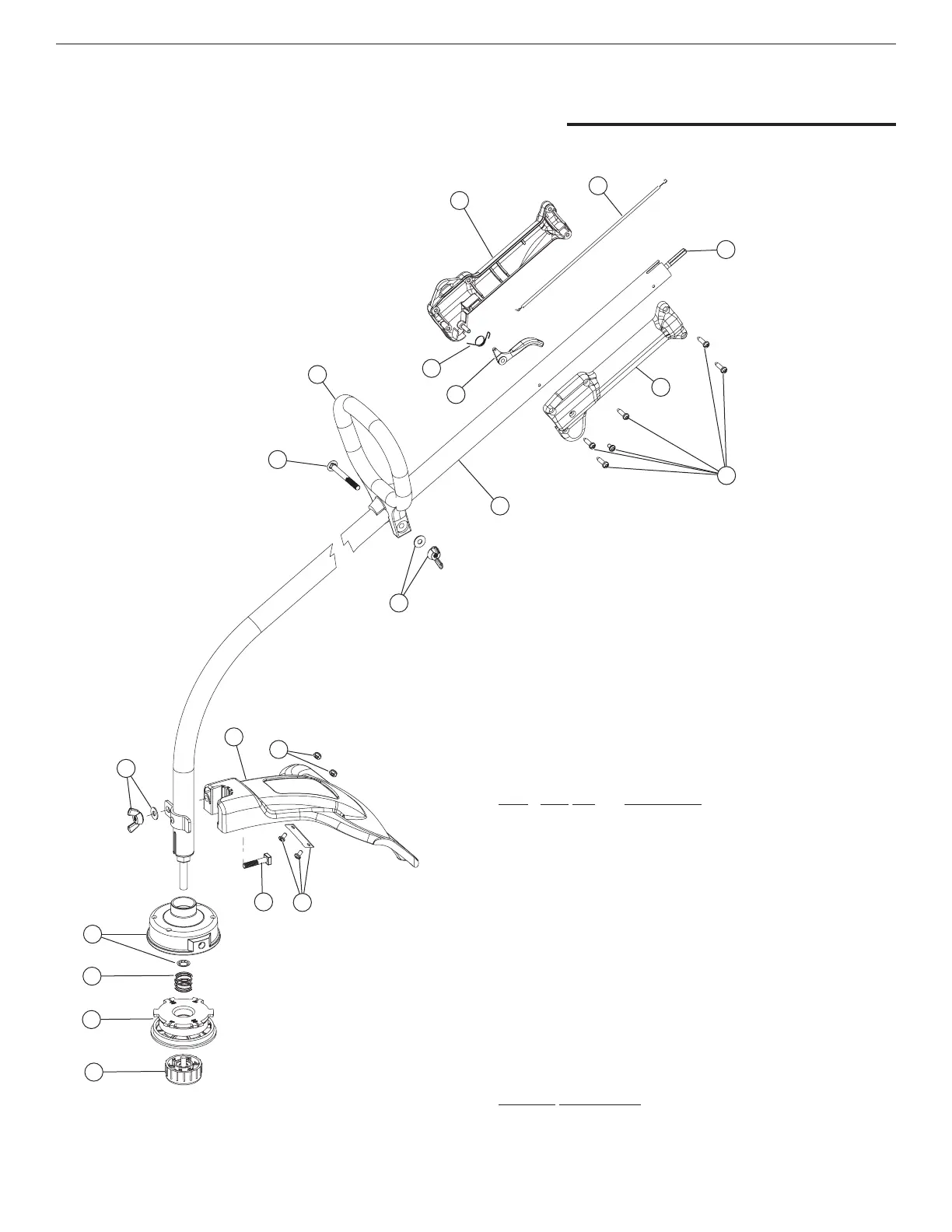
PARTS LIST
Item Part No. Description
1 753-04114 Throttle Housing and Trigger Assembly
(includes 2-4)
2 791-610314 Throttle Trigger Spring
3 753-04115 Throttle Trigger
4 791-145888 Throttle Housing Screws
5 791-182068 Throttle Cable
6 753-04280 Flexible Drive Shaft
7 753-04281 Drive Shaft Housing Assembly
(includes 6 & 13)
8 791-153064 D-Handle Assembly (includes 9)
9 791-153317 D-Handle Hardware
10 753-04282 Guard Mounting Hardware
11 753-04283 Guard
12 791-180553 Blade Assembly
13 753-04284 Outer Reel w/Retainer
14 791-610317 Spring
15 791-610318 Inner Reel
16 791-153066 Bump Knob
Optional Accessories
* 791-153577 Inner Reel and Line
* 791-682075 Shoulder Strap Assembly
* Items Not Shown
1
5
6
1
4
3
2
9
9
8
7
10
12
12
11
10
14
15
16
13
BOOM AND TRIMMER PARTS - MODEL Y28
2-CYCLE GAS TRIMMER
PPN 41CDY28G000

Related product manuals