EasyManua.ls Logo

YASKAWA MP2200 Series - Page 14

YASKAWA MP2200 Series
21 pages
Print Icon
To Next Page IconTo Next Page
To Next Page IconTo Next Page
To Previous Page IconTo Previous Page
To Previous Page IconTo Previous Page
Loading...
E-12
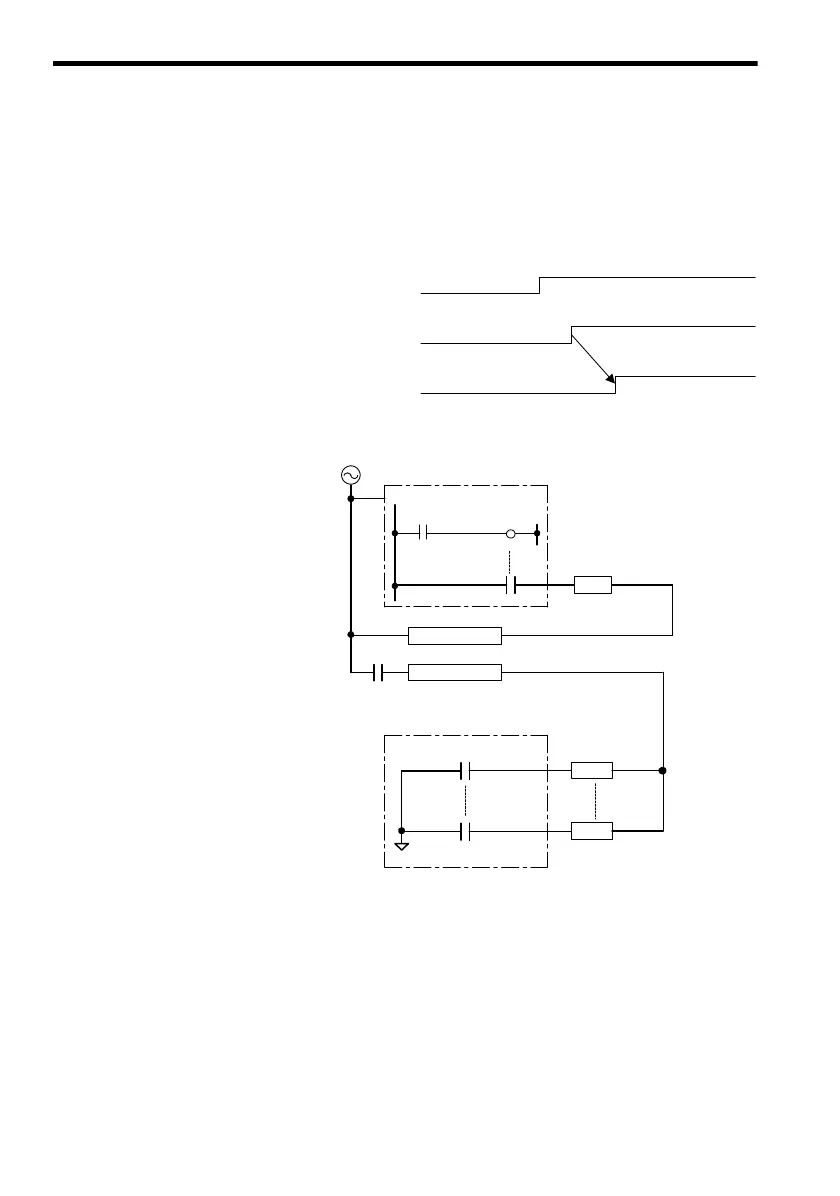
The power ON sequences and circuit configuration examples are as shown below.
When the output is connected to Relay and Solenoid
Configure the circuit so that the power supply to the output device (relay, solenoid, etc.) will
be turned ON upon the CPU RUN output (interlock output) of the MP2000 module.
<Power ON Sequence>
<Circuit Configuration Example>
DC power supply
Interlock output
CPU RUN
OB00000
SB000004
MP2000 module
RA1
Output device
RA1
DC power supply
Output device
power supply
ON relay
Power supply
MP2000 module
SB00004Normally the ON coil turns ON with proper operation of the CPU.
0B00000Interlock output

Related product manuals