EasyManua.ls Logo

York Affinity DNP030 - Page 35

York Affinity DNP030
40 pages
Print Icon
To Next Page IconTo Next Page
To Next Page IconTo Next Page
To Previous Page IconTo Previous Page
To Previous Page IconTo Previous Page
Loading...
280241-YIM-D-0909
Johnson Controls Unitary Products 35
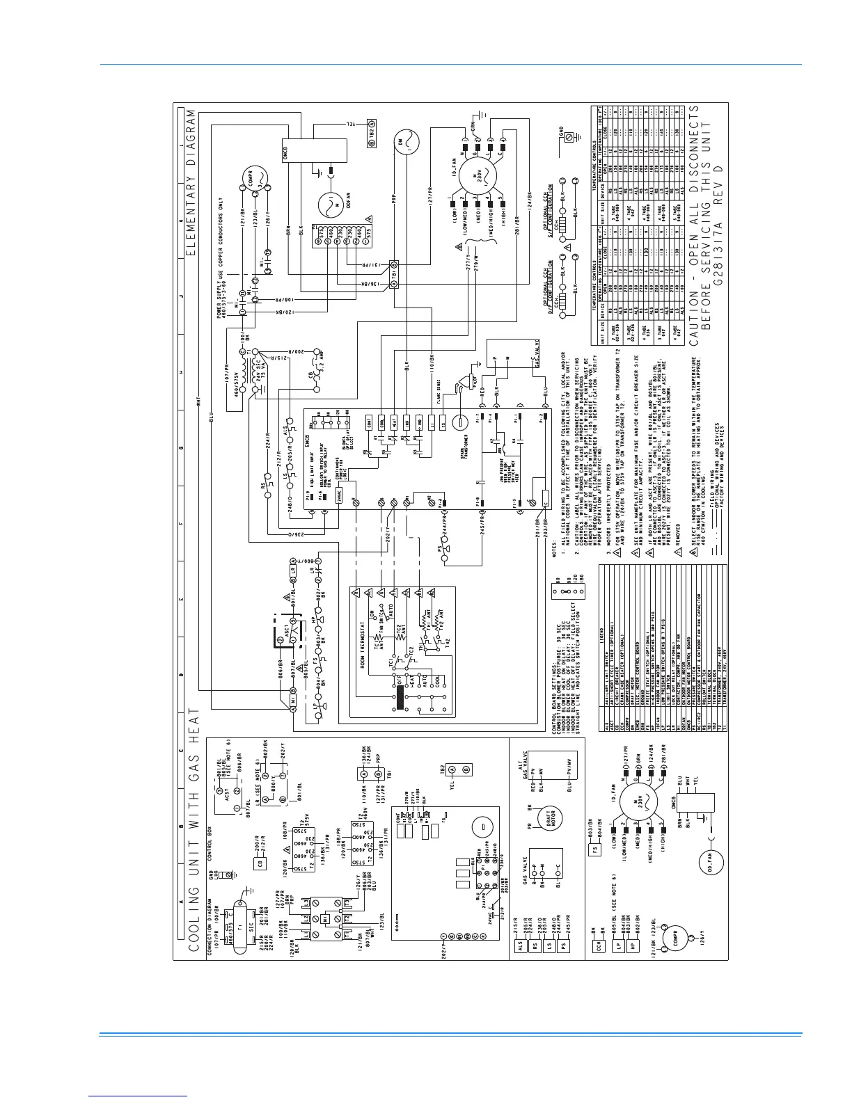
FIGURE 30 - TYPICAL WIRING DIAGRAM D*NP 060 SINGLE STAGE GAS HEAT (460/575-3-60 POWER
SUPPLY)

Table of Contents

Related product manuals