EasyManua.ls Logo

York Affinity DNP030 - Page 36

York Affinity DNP030
40 pages
Print Icon
To Next Page IconTo Next Page
To Next Page IconTo Next Page
To Previous Page IconTo Previous Page
To Previous Page IconTo Previous Page
Loading...
280241-YIM-D-0909
36 Johnson Controls Unitary Products
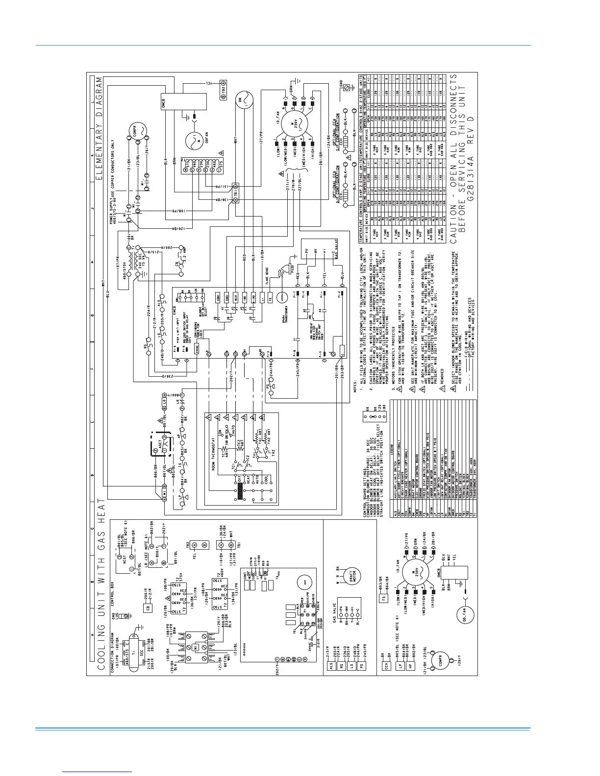
FIGURE 31 - TYPICAL WIRING DIAGRAM D*NP 060 TWO STAGE GAS HEAT (460/575-3-60 POWER
SUPPLY)

Table of Contents

Related product manuals