EasyManua.ls Logo

York DC-150 - Field Wiring Disconnect - Cooling Unit With;Without Electric; Heat; Field Wiring Disconnect - Cooling Unit with Gas Heat

York DC-150
70 pages
Print Icon
To Next Page IconTo Next Page
To Next Page IconTo Next Page
To Previous Page IconTo Previous Page
To Previous Page IconTo Previous Page
Loading...
5120410-XIM-B-0216
Johnson Controls Unitary Products 19
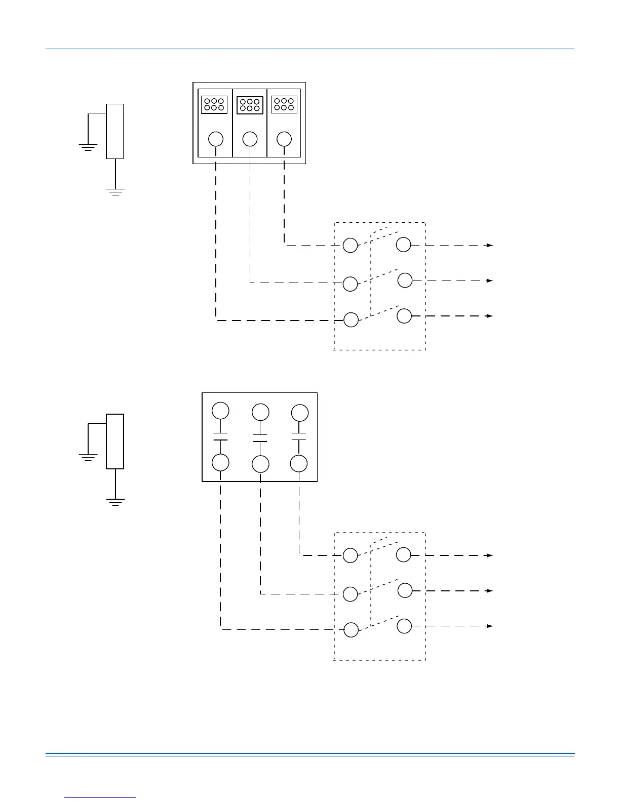
Figure 20: Field Wiring Disconnect - Cooling Unit With/Without Electric Heat
Figure 21: Field Wiring Disconnect - Cooling Unit With Gas Heat
THREE
PHASE
POWER
SUPPLY
FACTORY OR FIELD
SUPPLIED DISCONNECT
GROUND
LUG
TERMINAL BLOCK TB1
L1
T1
L2
T2
T3
L3
THREE
PHASE
POWER
SUPPLY
FACTORY OR FIELD
SUPPLIED DISCONNECT
GROUND
LUG
CONTACTOR 1M

Table of Contents

Related product manuals