EasyManua.ls Logo

York XP048 - Control Circuit Diagrams (Belt Drive) Continued; XP060 Control Circuit 208;230 V

York XP048
73 pages
Print Icon
To Next Page IconTo Next Page
To Next Page IconTo Next Page
To Previous Page IconTo Previous Page
To Previous Page IconTo Previous Page
Loading...
251933-YTG-J-1009
Johnson Controls Unitary Products 121
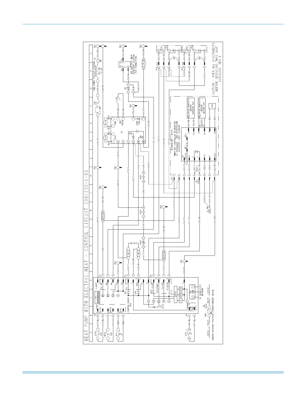
Typical XP060 Belt Drive With Electric Heat Control Circuit 208/230-1-60 Diagram

Related product manuals