EasyManua.ls Logo

York YCAL0052 - FIGURE 20 - Power Wiring, Single Circuit

York YCAL0052
230 pages
To Next Page IconTo Next Page
To Next Page IconTo Next Page
To Previous Page IconTo Previous Page
To Previous Page IconTo Previous Page
Loading...
JOHNSON CONTROLS
76
FORM 150.67-NM1
ISSUE DATE: 4/28/2017
SECTION 5 – TECHNICAL DATA
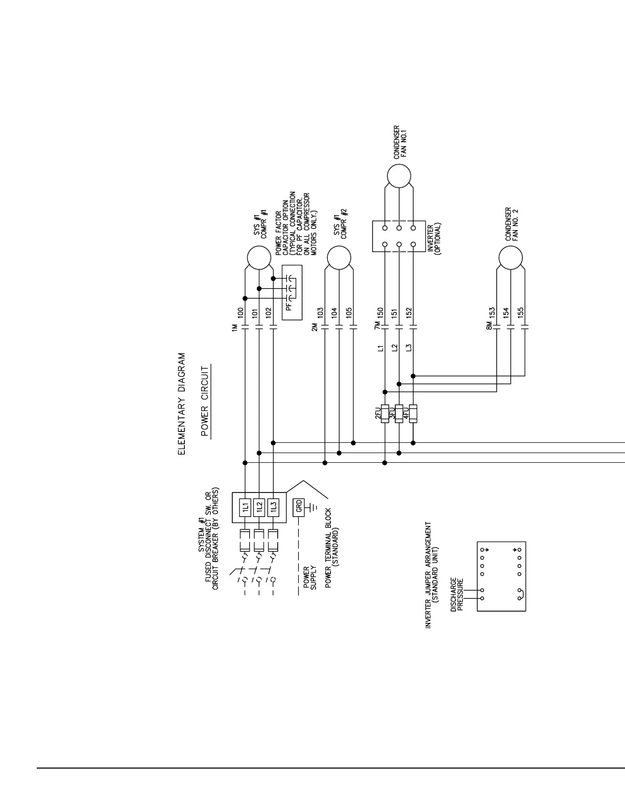
FIGURE 20 - POWER WIRING, SINGLE CIRCUIT
YCAL0028-YCAL0033 LOW SOUND
YCAL0028-YCAL0033 ULTRA LOW SOUND (460V AND 380-415V/3/50)
LD22083a
21
76

Table of Contents

Other manuals for York YCAL0052

Related product manuals