EasyManua.ls Logo

York YCAL0056 - FIGURE 17 - Control Wiring Diagram, Details, Dual Circuit

York YCAL0056
230 pages
To Next Page IconTo Next Page
To Next Page IconTo Next Page
To Previous Page IconTo Previous Page
To Previous Page IconTo Previous Page
Loading...
JOHNSON CONTROLS
70
FORM 150.67-NM1
ISSUE DATE: 4/28/2017
SECTION 5 – TECHNICAL DATA
YCAL0043-YCAL0052 LOW SOUND
YCAL0043-YCAL0052 ULTRA LOW SOUND
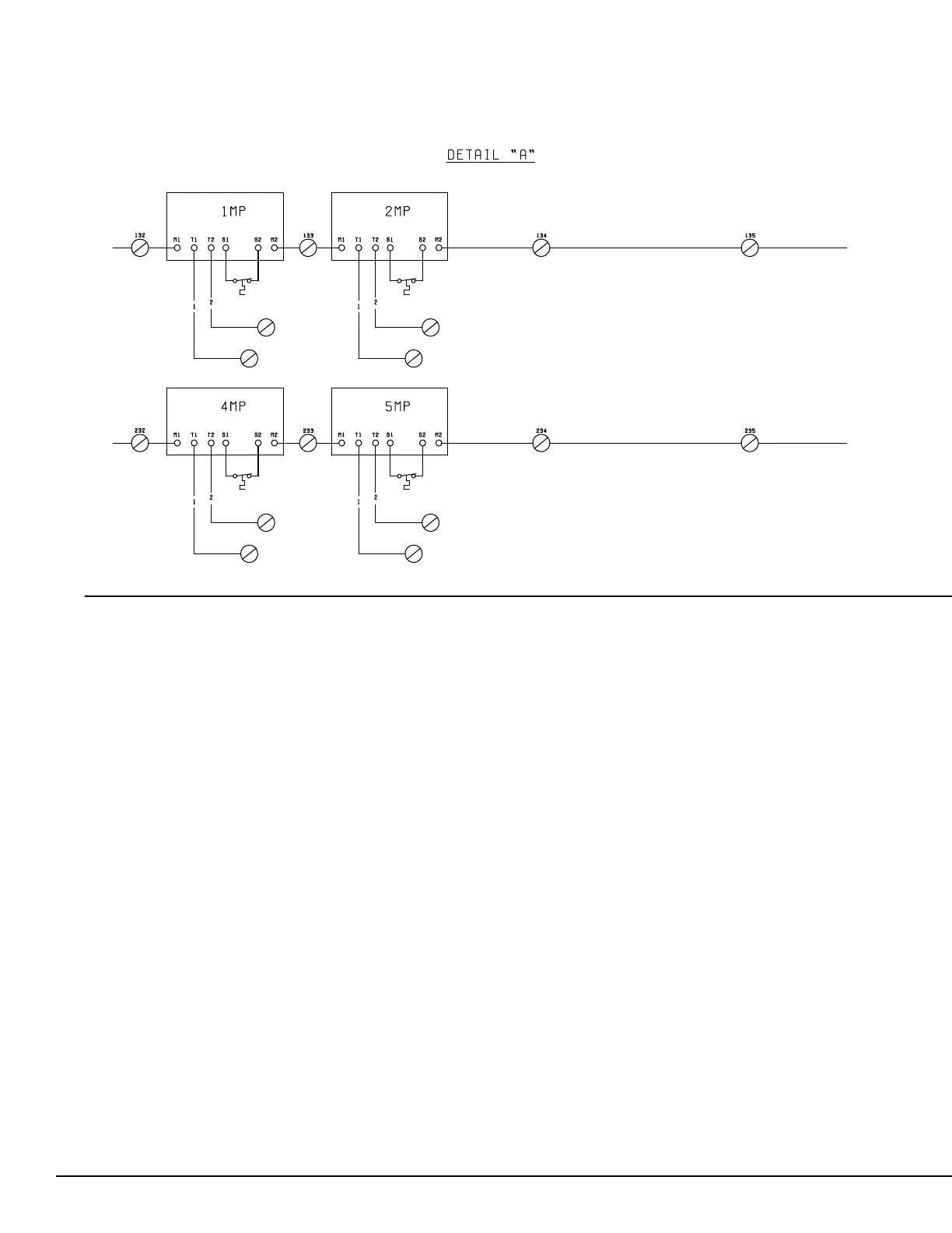
FIGURE 17 - CONTROL WIRING DIAGRAM, DETAILS, DUAL CIRCUIT
035-20880-103 REV C
Notes:
I. Field wiring to be in accordance with the current edition of the National Electrical Code as well as all other applicable codes and speci-
cations.
2. Contacts must be suitable for switching 24VDC, (gold contacts recommended). Wiring shall not be run in the same conduit with any
line voltage (class 1) wiring.
3. To cycle unit ON and OFF automatically with contact shown, install a cycling device in series with the ow switch. See note 2 for contact
rating and wiring specications.
4. To stop unit (emergency stop) with contacts other than those shown, install the stop contact between terminals 5 and 1. If a stop device
is not installed, a jumper must be connected between terminals 5 and 1. Device must have a minimum contact rating of 6A at 115VAC.
5. Contacts are rated at 115V, 100VA, resistive load only, and must be suppressed at load by user.
6. See installation, operation and maintenance manual when optional equipment is used.
7. Optional current readout. 5V = 200A.
8. 1MP thru 6MP are contained in their respective compressor junction boxes.

Table of Contents

Other manuals for York YCAL0056

Related product manuals