EasyManua.ls Logo

York YLAA0080 - Page 71

York YLAA0080
178 pages
To Next Page IconTo Next Page
To Next Page IconTo Next Page
To Previous Page IconTo Previous Page
To Previous Page IconTo Previous Page
Loading...
JOHNSON CONTROLS
71
SECTION 5 – TECHNICAL DATA
FORM 150.72-ICOM6
ISSUE DATE: 12/29/2017
55
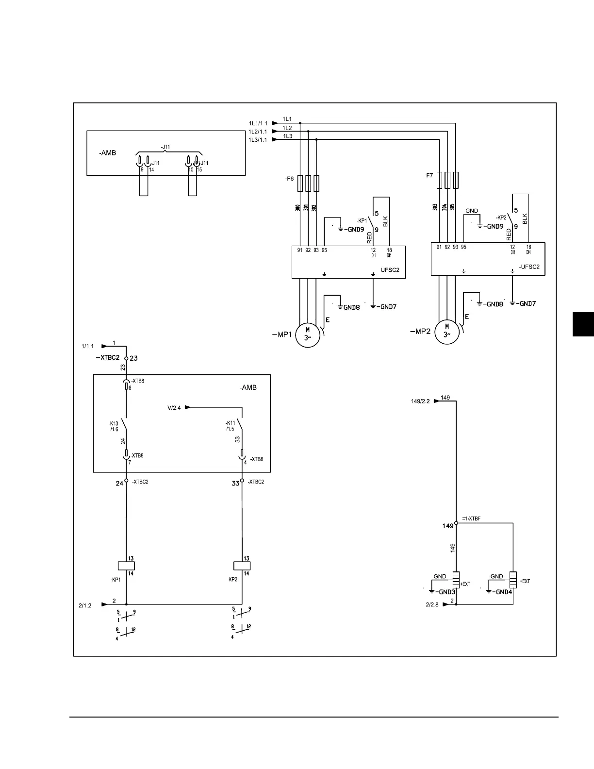
FIGURE 19 - PUMP WIRING
PUMP WIRING
LD16758a
DWG. 5

Table of Contents

Related product manuals