EasyManua.ls Logo

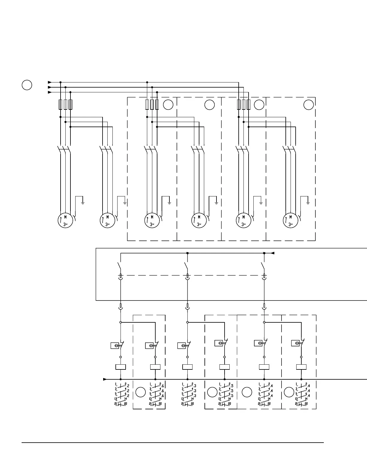
York YLAA0101 - FIGURE 22 - Power Panel

York YLAA0101
178 pages
To Next Page IconTo Next Page
To Next Page IconTo Next Page
To Previous Page IconTo Previous Page
To Previous Page IconTo Previous Page
Loading...
JOHNSON CONTROLS
76
FORM 150.72-ICOM6
ISSUE DATE: 12/29/2017
SECTION 5 – TECHNICAL DATA
POWER PANEL
FIGURE 22 - POWER PANEL
035-21589-101 REV H
/'
/ / /
;7%)
$9
$*
$-
-03
)
*
.
/
.
4
5
/
0
3
4
.
/
3
-
.
$4
$(
$%
$$
/
0
0
1
1
<
<
2
*
+
+
,
,
-
-
,
-
;
,
+
;
25
(+5+(;7
(+5+(;7
$5
;
)+3
5
0
2
$ $ $%% %&&&
63
63
63
/ //
// /
// /
)
/
/
/
/
/
$
%
$
%
$
%

)
/
/
$$$
)
&$.1
$




 $
&$.1
$
 $
/&'
.)
/&'
.)
/&'
.)
%

'
'

$




$
.0
%


$




$
.0
&
'
&
'
%


$




$
.0
%
&
%
&
$ 


&

$
(
$

$ 
$

$ %

$

$

$
$

*
)



Table of Contents

Related product manuals