EasyManua.ls Logo

Yueming CMA1309-B-A - Chapter6 Appendix; Electrical System Diagram

Default Icon
57 pages
Print Icon
To Next Page IconTo Next Page
To Next Page IconTo Next Page
To Previous Page IconTo Previous Page
To Previous Page IconTo Previous Page
Loading...
51
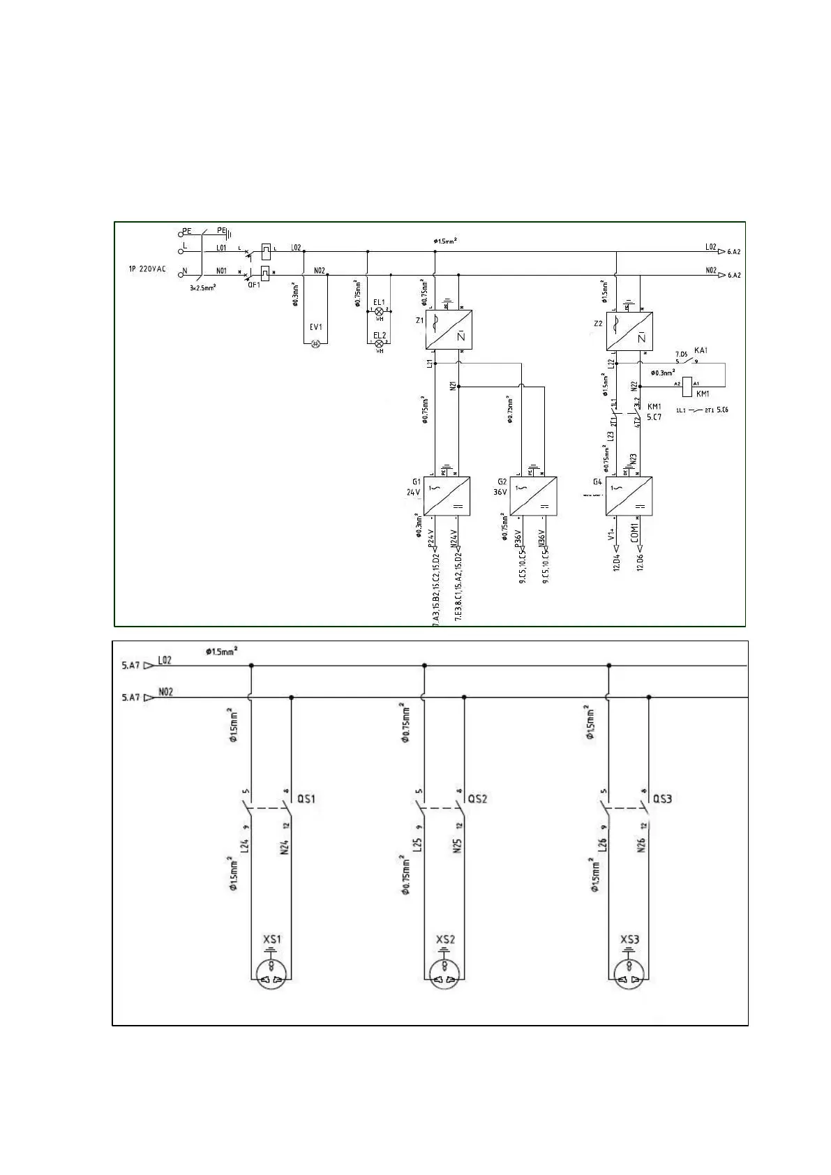
Chapter6 Appendix
6.1 Electrical system diagram

Table of Contents

Related product manuals