EasyManua.ls Logo

Zanotti BAS235T02F - Page 10

Zanotti BAS235T02F
86 pages
Print Icon
To Next Page IconTo Next Page
To Next Page IconTo Next Page
To Previous Page IconTo Previous Page
To Previous Page IconTo Previous Page
Loading...
DATA:
REV.nr. FOGLIO nr :
DI
11
MSB135T02F/INL-/AFR-/ELX-/SUR-/CRI-/ANG-
-94F-15F-315F-161F-04F-47F-315F/ELX-350F
MSB225T02F-/SAG-/ANG-/INL-/ELX-/CRI-/SUR
81510LSB
14-10-2002Soncini
DISEGNO nr.
ApprovatoDisegnato
Soncini
DATA: Approvato
MODELLO
-/YOR-/GDR-/ANP-315F/ELX-161F-04F-315F
BSB225T02F-/ABR-/ANG-/-/GDR-/ANM-/ARN-
-/CFF-/COD-/COL-/CRI-/CRS-/ELX-/SAG-/SUR
-/INL-315F/COL-350F-04F-04F/COL-48F-181F
MSB135N02F-/GDR-161F-04F-180F-350F
01
21-01-2003 Soncini
Tolto ponte su ID2
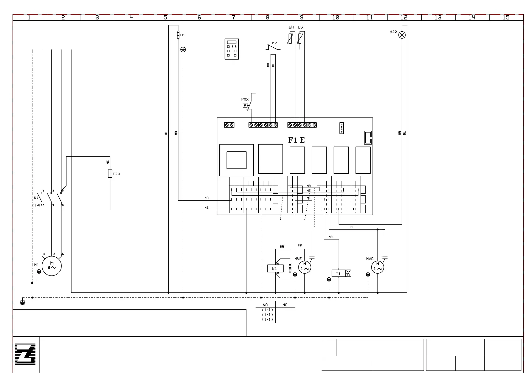
400V/3N~/50Hz
SUPPLY
2CU0801
CAVO LINEA
VEDI DIS.
2CU0653
2CU0663 2CU0663
2CU0800
2CU08102CU0811
CAVO COMP.
VEDI DIS.
N.B. : "EP" SOLO BSB
(EP ONLY BSB)
PE L1 L2 L3 N
2CU0815
2CU0809
2CU0820
2CU0815-820 SOLO SB135
MODELLO
BSB135T02F-/SAG-/CRI-/AFR-/ANG-/ARN-/INL-/SUR-/GDR-/ANM-/CFF-/ELX-/ABR-315F/ELX
BSB135T04F-47F-48F-51F-94F-161F-170F-180F-181F-185F-315F-350F-161F-N180F
2GCE020
MSB225T180F-350F-186F-N20F-MSB135T140F
BSB225T180F-T02F/ANP-T236F-T04F/GDR MSB125T20F
GV
BL
GV
GV
BL
BL
GV
BLBLBL BL
GV
GVGV
GV
BL
-+
-
NEUTRALLINE GROUND
3456789
A
B
C
12 2 4567
D
E
F
NO NO
RL1 RL2 NO NC NC
RL3
COM
123 89
NO
COM
RL4
NC
NO
RL5
COM
G
H
I
+
DI1 DI2 DI3 PB2
COMPRESSOR EVAP.FANS DEFROST ALARMLIGHT
1
RL2 RL3 RL4 RL5RL1
TRANSFORMER
ROOM
PB1 PB3

Related product manuals