EasyManua.ls Logo

Zanotti BAS235T02F - Page 11

Zanotti BAS235T02F
86 pages
Print Icon
To Next Page IconTo Next Page
To Next Page IconTo Next Page
To Previous Page IconTo Previous Page
To Previous Page IconTo Previous Page
Loading...
DATA:
REV.nr. FOGLIO nr :
DI
12
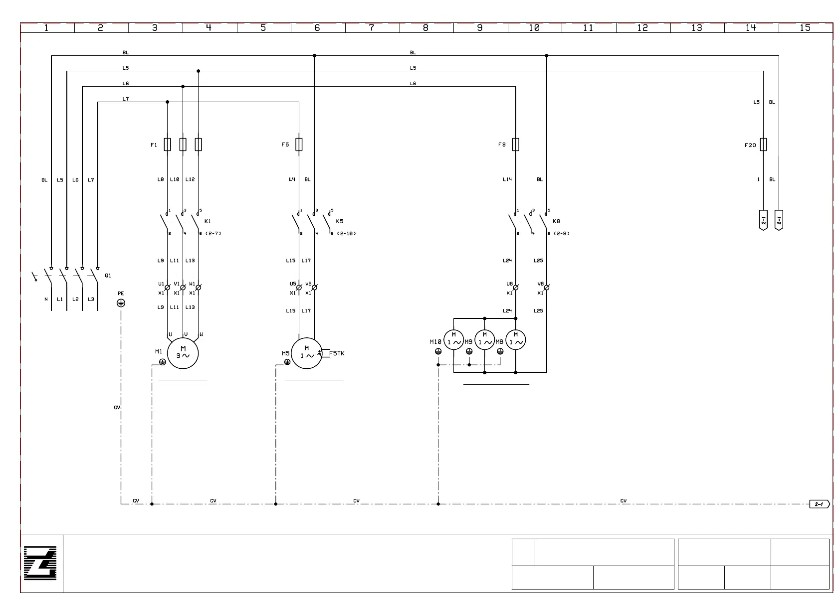
MSB235N02F-N02F/JEH-N180F-N350F
MSB235T02F-T180F
81900LSB
12-11-2003Soncini
DISEGNO nr.
ApprovatoDisegnato
Soncini
DATA: Approvato
MODELLO
BSB235T02F-351F-N02F-350F
01
24-11-2004 SONCINI
Aggiunto i morsetti comp.
400V/3N~/50Hz
CONDENSER FAN
EVAPORATOR FANS
COMPRESSOR
230V/1N~/50Hz
6A 4A
In=3x 0,7A
In=1x0,8A
4A
BSB235T 50A
BSB235T I max.=18 A
MSB235T I max.=10 A
MSB235T 20A
MSB235N 16A
MSB235N I max.=8 A
BSB235N 32A
BSB235N I max.=15 A

Related product manuals