EasyManua.ls Logo

Zanotti BGM32002F - Page 39

Zanotti BGM32002F
86 pages
Print Icon
To Next Page IconTo Next Page
To Next Page IconTo Next Page
To Previous Page IconTo Previous Page
To Previous Page IconTo Previous Page
Loading...
DATA:
REV.nr. FOGLIO nr :
DI
23
MDB335NO...
MDB335TO...
BDB335NO...
AA09001
04-04-2003Soncini
DISEGNO nr.
ApprovatoDisegnato
Soncini
DATA: Approvato
MODELLO
BDB335TO..
GCD451NO...
GCD501TO...
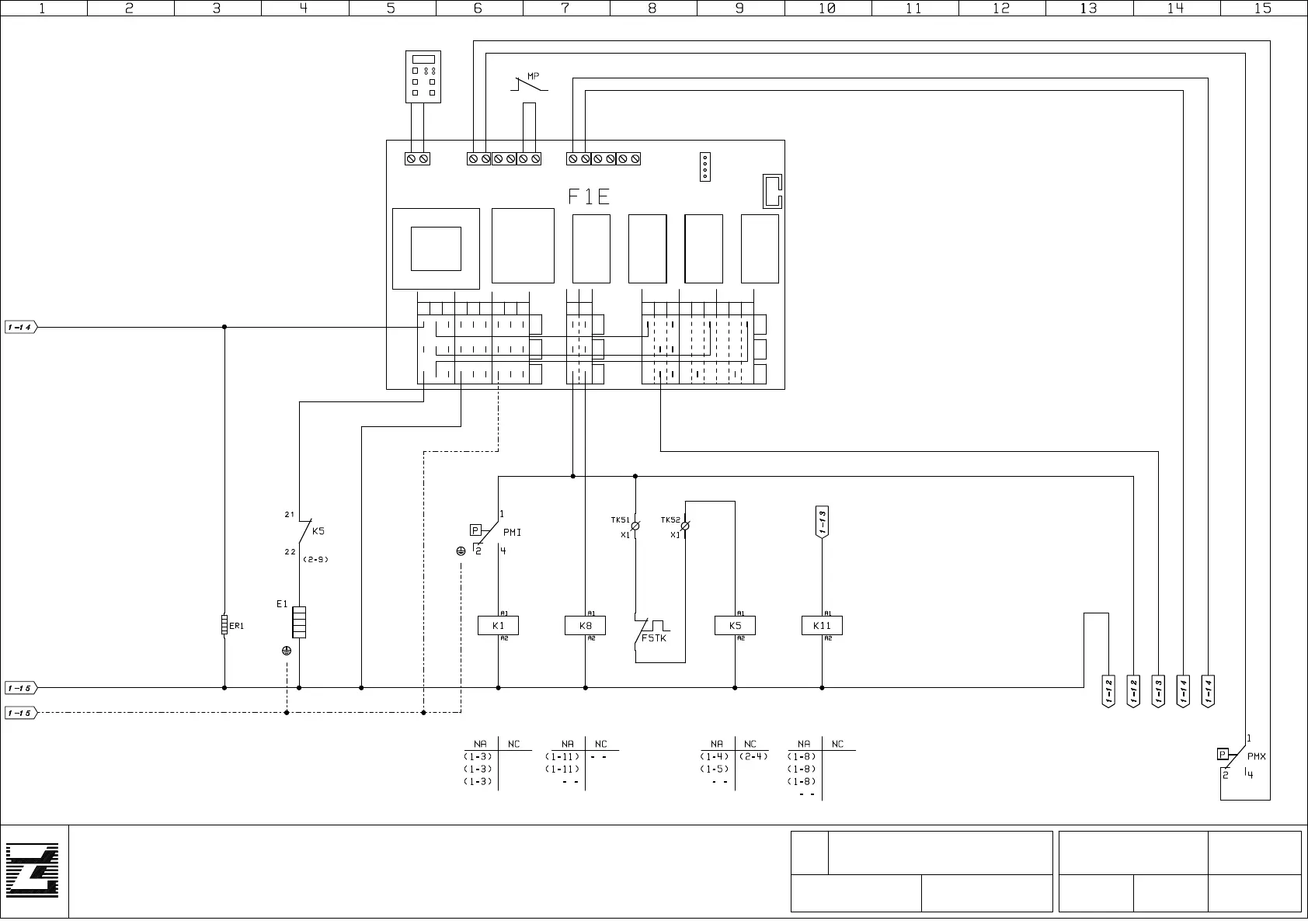
ER1=RISCALDATORE QUADRO
(OPTIONAL:SOLO SE RICHIESTO IN VARIANTE)
1
1
N1
7
7
7
3
3 3
3
3
3
3
11
11
GV
GVGVGV
GV
GV
5
5
5
8
8
8
12
13
1
2
2
10
6
N1 N1
N1
N1
N1 N1 N1
N1
N1
N1N1
-+
-
NEUTRALLINE GROUND
3456789
A
B
C
1224567
D
E
F
NO NO
RL1 RL2 NO NC NC
RL3
COM
123 89
NO
COM
RL4
NC
NO
RL5
COM
G
H
I
+
DI1 DI2 DI3 PB2
COMPRESSOR EVAP.FANS DEFROST ALARMLIGHT
1
RL2 RL3 RL4 RL5RL1
TRANSFORMER
ROOM
PB1 PB3

Related product manuals