EasyManua.ls Logo

ZCS AZZURRO HYD3000 - 4.1. Connecting the Battery

ZCS AZZURRO HYD3000
94 pages
Print Icon
To Next Page IconTo Next Page
To Next Page IconTo Next Page
To Previous Page IconTo Previous Page
To Previous Page IconTo Previous Page
Loading...
User’s Manual 1PH HYD3000-HYD6000-ZSS
Rev. 1.1 16/03/2021
Identification: MD-AL-GI-00
Rev. 1.1 of 16/03/2021 - Application: GID
18/94
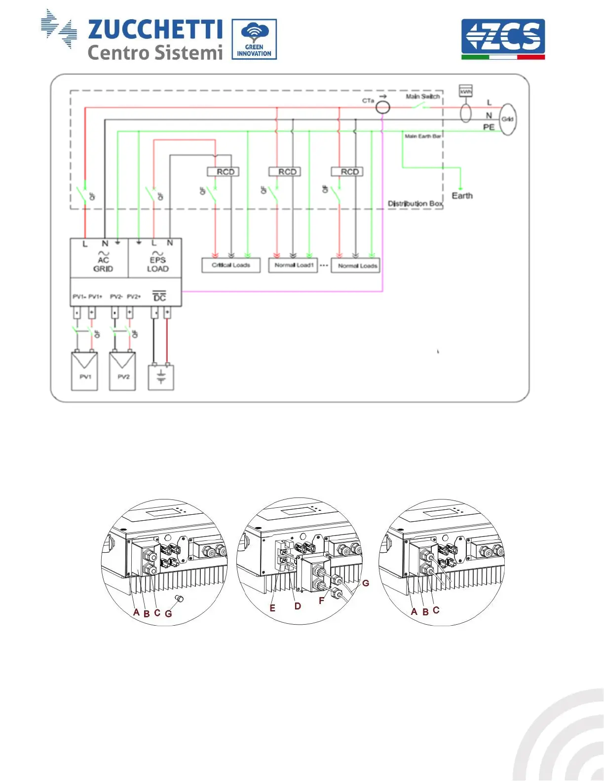
Figure 6 Electrical Connections
4.1. Connecting the battery
Figure 7 Connecting the battery (measure polarity/voltage of the battery cables before connection)

Related product manuals