EasyManua.ls Logo

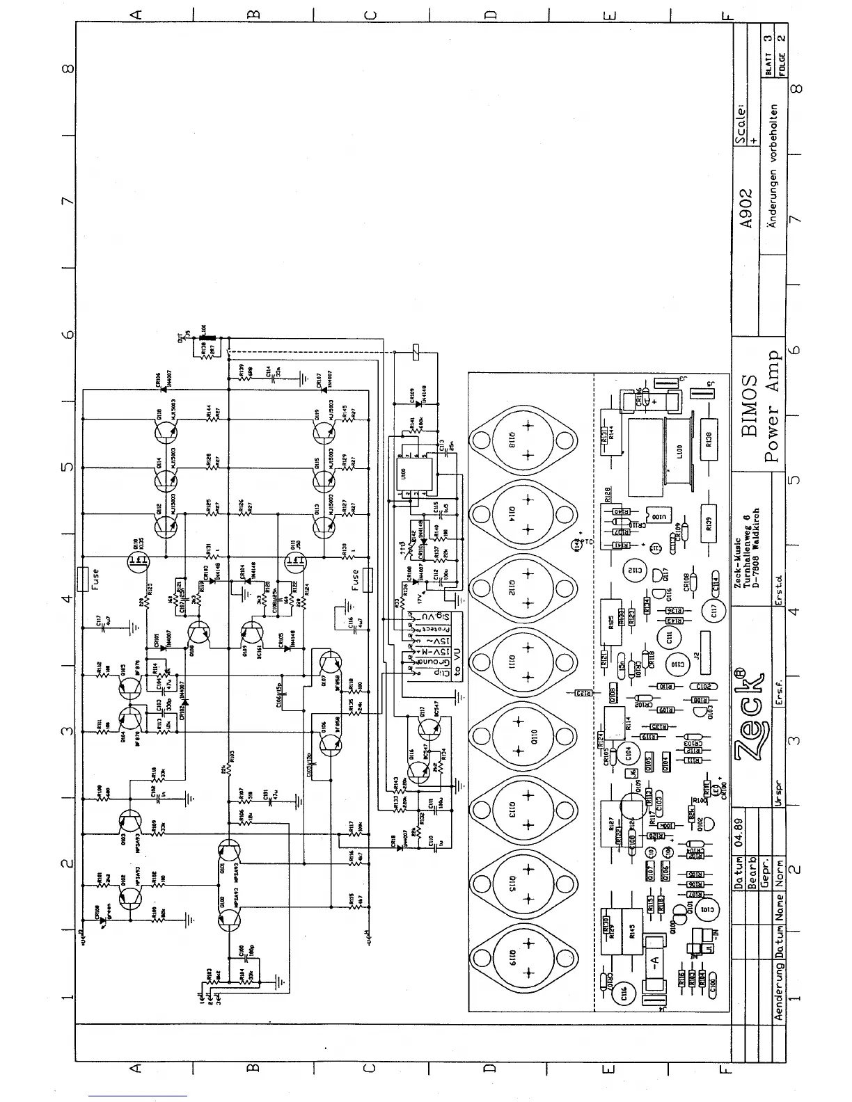
Zeck Audio A902 - Power Amplifier Circuitry; BIMOS Amplifier Stage Schematic

Default Icon
8 pages
Print Icon
To Next Page IconTo Next Page
To Next Page IconTo Next Page
To Previous Page IconTo Previous Page
To Previous Page IconTo Previous Page
Loading...

Related product manuals