EasyManua.ls Logo

Zero Zone RVCC30 - Page 38

Default Icon
49 pages
Print Icon
To Next Page IconTo Next Page
To Next Page IconTo Next Page
To Previous Page IconTo Previous Page
To Previous Page IconTo Previous Page
Loading...
ELECTRICAL
LOW TEMP (CONT.)
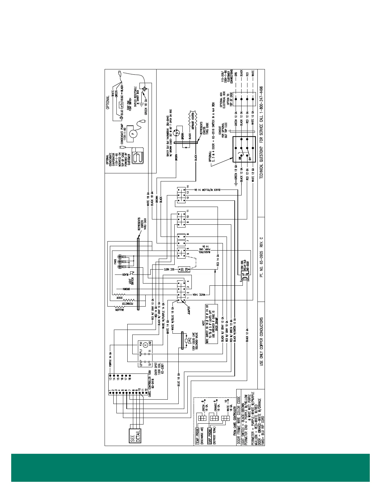
Figure 28: Single Point Wiring
34 • Electrical - Low Temp

Related product manuals