EasyManua.ls Logo

Zip FlushMaster 40090 - Connect Latching Valve to Sensor; System Initialization (Test Mode)

Zip FlushMaster 40090
12 pages
Print Icon
To Next Page IconTo Next Page
To Next Page IconTo Next Page
To Previous Page IconTo Previous Page
To Previous Page IconTo Previous Page
Loading...
87100 v1.12 09.22 FlushMaster Page 7 of 12
1
2
1 1
ON ON
2 23 3
5
4 4 6
Fill Time button
Mains option
F1.6A fuse (Buss)
Fit battery plug
to this input
Fill LED pulses when
fill switch is held down
Battery option
Valve connector
Brown Blue
Control sensors
Reset button
Brown
Blue
Latching
valve
output
Power
Supply
Unit
Cable from
latching valve
Reset
button
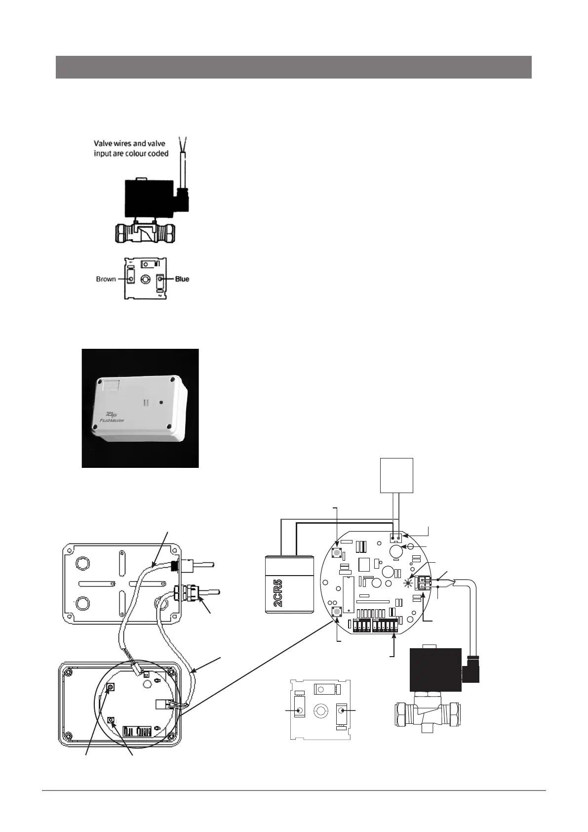
3. Connect latching valve to sensor
Run the latching valve cable to the sensor in conduit or within the
building wall and ceiling.
Do not extend the cable as this will affect correct operation.
To fasten the latching valve cable to the circuit board, first remove
the valve output connector on the circuit board by lifting it directly
upwards. Hold the connector so that the fixing screws are facing
you.
Secure the brown cable into the right hand screw terminal and
tighten.
Secure the blue cable into the left hand screw terminal and tighten.
Push the connector back into the socket on the circuit board,
positioned so screws face towards the centre of the board.
In case of repairs or replacement, to detach the latching valve cable
from the circuit board, lift it directly upwards.
Finally, insert the cable from the battery pack into the circuit board
inlet socket.
Once the power is connected, the system operates in test mode.
Note: Always press the RESET button after reconnecting power
to the PCB.
From power
source
Cable gland
(not supplied)
2 1
Installation
Fill Time
Button