EasyManua.ls Logo

Zipro Nix - Page 108

Zipro Nix
Print Icon
To Next Page IconTo Next Page
To Next Page IconTo Next Page
To Previous Page IconTo Previous Page
To Previous Page IconTo Previous Page
Loading...
108
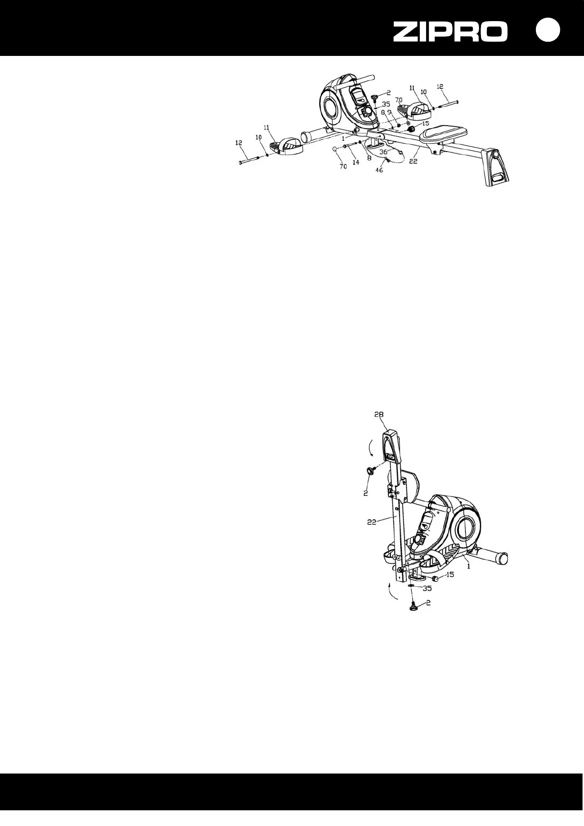
4. LÉPÉS
Csatlakoztasd a csatlakozókábelt
(46) a számítógép kábelével (36).
Ezután csavarozd fel a csúszópályát
(22) a vázra (1) a hatlapfejű
csavarral (14), lapos alátétekkel (8)
és a nylon anyacsavarral (9).
Tedd fel a záródugókat (70).
Csavard fel a tekerőgombot (2)
a lapos csavaralátéttel (35)
és a tekerőgombbal (15).
Csavard fel a pedálokat (11 L/R)
a vázra (1) a csavarokkal (12), lapos
alátétekkel (10).
FIGYELEM! A jobb és a bal pedálok
jelölése: “R” jobb pedál és “L” bal
pedál.
Gratulálunk! Befejezted az evezőpad összeszerelését!
Mielőtt kipróbálnád az eszközt, olvasd el figyelmesen az útmutatót.
AZ EVEZŐPAD ÖSSZECSUKÁSA ÉS SZÉTNYITÁSA
FIGYELEM! Az eszköz összecsukása előtt alaposan ellenőrizd,
hogy minden csavart meghúzott.
FIGYELEM! Az összecsukás alatt vigyázz a tenyerekre és az
ujjakra, hogy nehogy rácsapd az eszközt.
Csavard ki a tekerőgombot (15) az alátétes tekerőgombbal (2).
Csavard ki a tekerőgombot (15) a lapos alátétes
tekerőgombbal (35).
Rakd össze a csúszkát (22) és a hátsó talpat a burkolattal (28)
az ábra szerint.
Végül rögzísd a csúszkát (22) a vázra (1) a tekerőgombbal (15)
és a lapos alátétes (35) tekerőgombbal (2), valamint a
burkolatot (28) a csúszópályára (22) a tekerőgombbal (2).
BEÁLLÍTÁSOK
Ellenállás beállítás
Az eszköz 1-8 terhelési fokozatban állítható ellenállás szabályozóval felszerelt.
Az ellenállás növeléséhez tekerd az ellenállás szabályozó tekerőgombot az óramutató járásával megegyező
irányba. A legalacsonyabb fokozat 1-el van jelölve.
Az ellenállás csökkentéséhez tekerd az ellenállás szabályozó tekerőgombot az óramutató járásával
ellentétes irányba. A legmagasabb fokozat 8-al van jelölve.

Table of Contents

Related product manuals