EasyManua.ls Logo

Zivan C38971 - Page 28

Zivan C38971
Print Icon
To Next Page IconTo Next Page
To Next Page IconTo Next Page
To Previous Page IconTo Previous Page
To Previous Page IconTo Previous Page
Loading...
Deutsch Batterie Ladegerät NG5-7-9
28 D01274-03
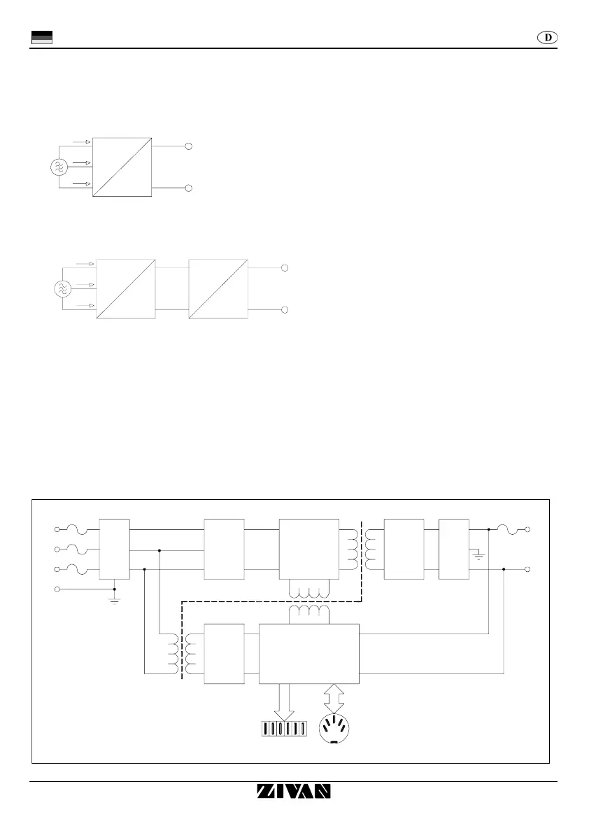
Arbeitsweise des Ladegerätes
Ein Batterieladegerät beeinflusst die Labensdauer eines Batteriesystems signifikant, welches widerum
die Hauptkomponente eines jeden Elektrofahrzueges darstellt.
Ein ungeregelter Lader ( Gleichrichter ) ermöglicht die simple direkte AC/DC Umwandlung
Die Nachteile sind:
Niedrige Effizienmz
Grosse Abmessungen
Lange Ladezeiten
Ladung abhängig von Netzspannungsniveaus
(mit Überladegefahr zu Zeit der Ladeendphase)
In modernen Batterieladern werden diese Nachteile durch die indirekte AC/DC Umwandlung
überkommen, durch Anwendung einer DC- Zwischenkreisspannung.
Dies ist die übliche Methode für
Schaltnetzteile ( = SMPS Switching
Mode Power Supply) höherer Leistung.
Die Lösung sichert gute Eigenschaften
wie geringe Kosten und Abmessungen
mittels schneller und leistungsstarke
Halbleiter (moderne Technologie).
Erzielte Hauptvorteile:
Hoher Wirkungsgrad
kleinere Abmessungen und Gewichte
Kurze Ladezeit
Unabhängige Ladeparameter von der Netzversorgungsspannung
elektronische Überwachung gewählten Ladekurve
Keine Beeinflussung des Ladegerätes durch Störspannungen vom Netz, aber auch zur Vermeidung von
Rückwirkungen ins Netz wurde durch ein Filternetzwerk, welches die Konformität zur EG Direktive
89/336/CEE (EMV-Gesetz) herstellt.
Block Schema
F0
F2
F4
E
T
S
R
Stufe
Leistungs F1
Steuerlogik
Filter
Filter
Filter
Gleichrichter
Gleichrichter
Gleichrichter
und
und
und
Filter Filter
EMV EMV
Batteria
i
i
i
v
DC
AC
Batteria
i
i
i
v
DC
DC
DC
A
C

Related product manuals